PRODUCTS

  • Home
  • Giới thiệu sản phẩm

INA
TSX65-E-ADE
Profile rail TSX65-E-ADE
Thêm vào yêu cầu báo giá
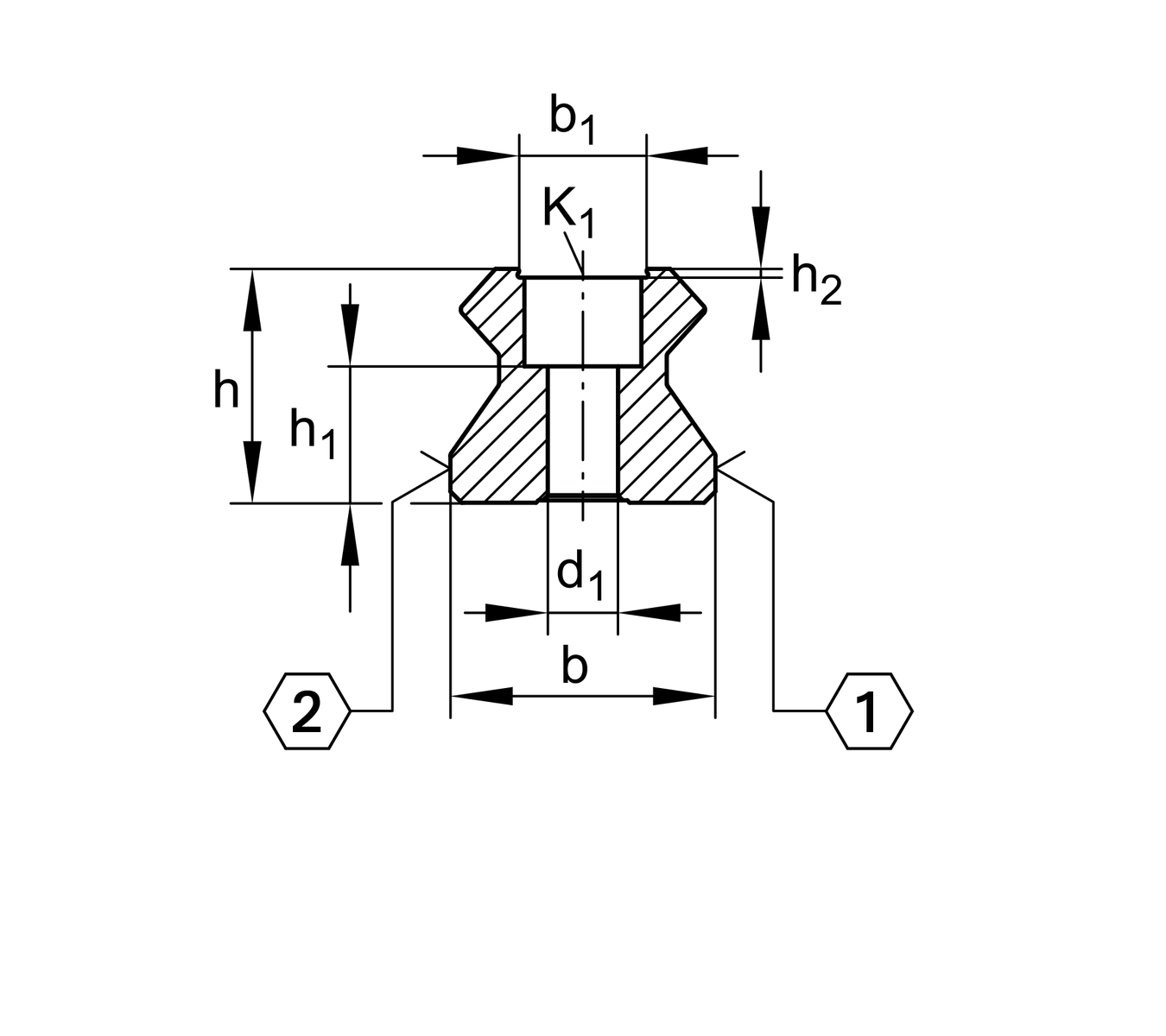
Main Dimensions & Performance Data
h
53.8 mm
Height
b
63 mm
Width
Tol b
-0.005 mm
Upper tolerance
Tol b
-0.035 mm
Lower tolerance
≈m
19.5 kg/m
Weight

Mounting dimensions
K1
M16
Fixing screws (DIN ISO 4762-12.9)
d1
18 mm
bore diameter
K1 MA
340 Nm
Tightening torque 1

Dimensions
lmax
6,000 mm
Max length single piece guideway 2
aL min
20 mm
Distance 3
aL max
61 mm
Distance 3
aR min
20 mm
Distance 3
aR max
61 mm
Distance 3
jL
75 mm
Increment
h1
28.8 mm
Length
Tol h1
0.5 mm
Upper tolerance
Tol h1
-0.5 mm
Lower tolerance
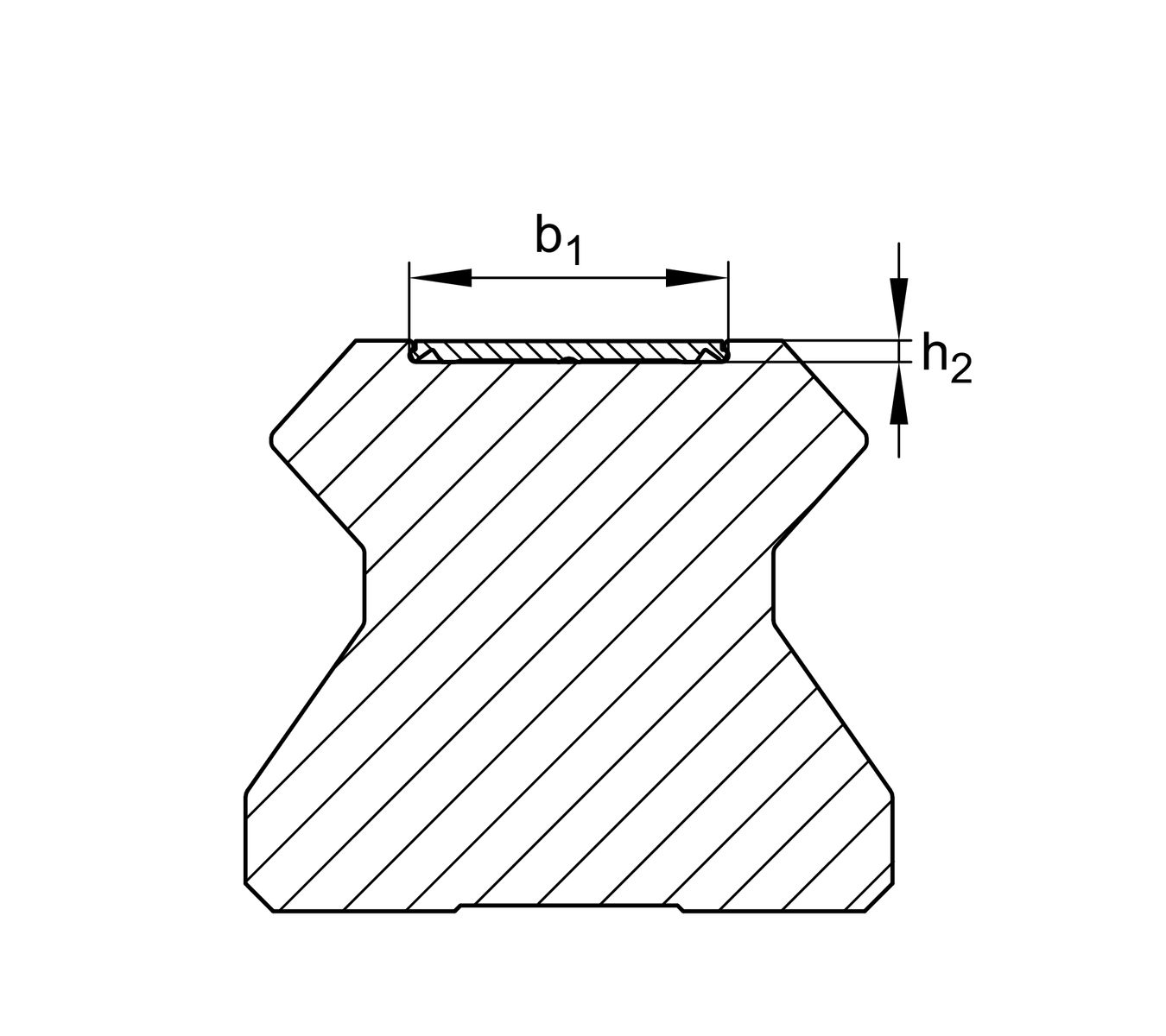
h2
1.1 mm
Depth
b1
28 mm
Width
dADB
3.9 mm
Bore diameter
s
0.6 mm
Thickness

Additional information
RWU65-E-...; RWU65-F-...
usable carriage(s)
RUE65-E-...; RUE65-F-...
Usable linear systems

Your current product variant
Size code65
Length~6000approx. EWL-length
VersionE
Guideway designADEfor stainless steel cover strip, reusable, can be slid into place
Thêm vào yêu cầu báo giá