PRODUCTS

  • Home
  • Giới thiệu sản phẩm

INA
TSX45-E-ADE
Profile rail TSX45-E-ADE
Thêm vào yêu cầu báo giá
Main Dimensions & Performance Data
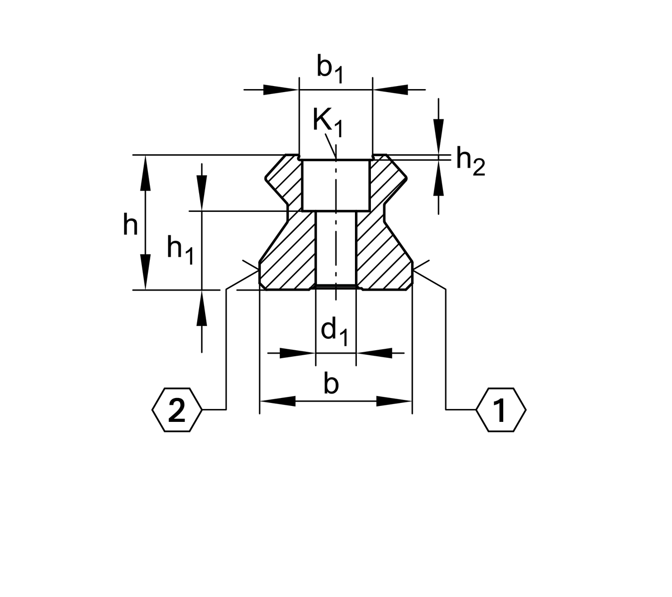
h
38 mm
Height
b
45 mm
Width
Tol b
-0.005 mm
Upper tolerance
Tol b
-0.035 mm
Lower tolerance
≈m
9.4 kg/m
Weight

Mounting dimensions
K1
M12
Fixing screws (DIN ISO 4762-12.9)
d1
13.4 mm
bore diameter
K1 MA
140 Nm
Tightening torque 1

Dimensions
lmax
5,985 mm
Max length single piece guideway 2
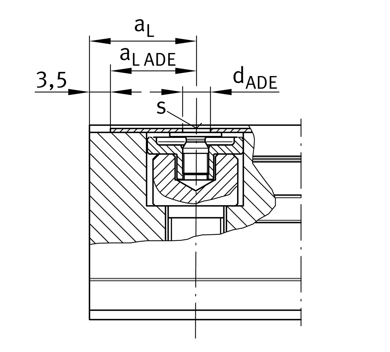
aL min
20 mm
Distance 3
aL max
41 mm
Distance 3
aR min
20 mm
Distance 3
aR max
41 mm
Distance 3
jL
52.5 mm
Increment
h1
19.5 mm
Length
Tol h1
0.5 mm
Upper tolerance
Tol h1
-0.5 mm
Lower tolerance
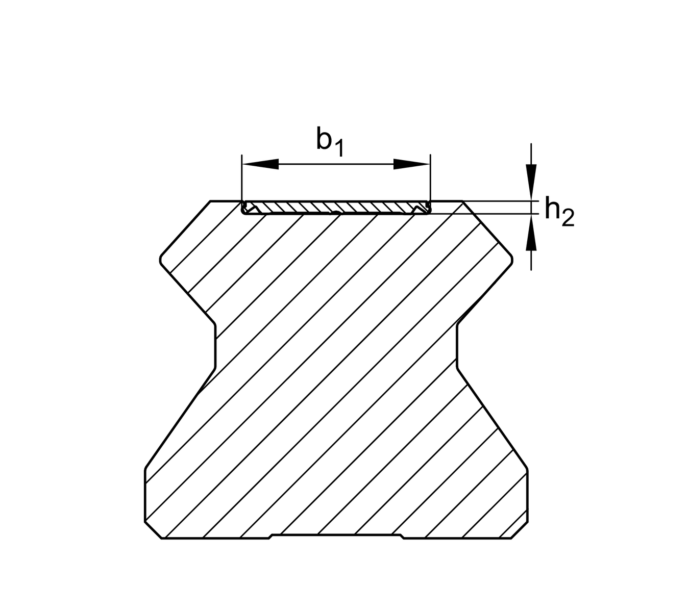
h2
1.1 mm
Depth
b1
22 mm
Width
dADB
3.9 mm
Bore diameter
s
0.6 mm
Thickness

Additional information
RWU45-E-...; RWU45-F-...
usable carriage(s)
RUE45-E-...; RUE45-F-...
Usable linear systems

Your current product variant
Size code45
Length~6000approx. EWL-length
VersionE
Guideway designADEfor stainless steel cover strip, reusable, can be slid into place
Thêm vào yêu cầu báo giá