PRODUCTS

  • Home
  • Giới thiệu sản phẩm

INA
TSX25-D-ADE
Profile rail TSX25-D-ADE
Thêm vào yêu cầu báo giá
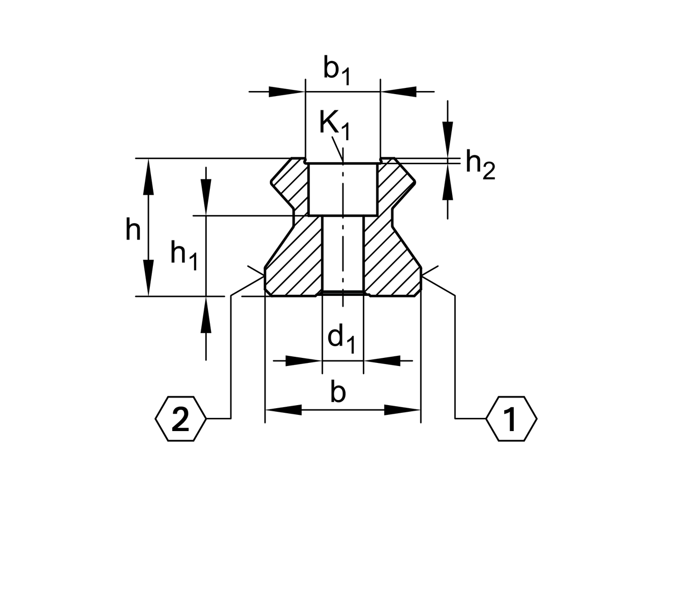
Main Dimensions & Performance Data
h
22.3 mm
Height
b
23 mm
Width
Tol b
-0.005 mm
Upper tolerance
Tol b
-0.035 mm
Lower tolerance
≈m
2.9 kg/m
Weight

Mounting dimensions
K1
M6
Fixing screws (DIN ISO 4762-12.9)
d1
6.7 mm
bore diameter
K1 MA
17 Nm
Tightening torque 1

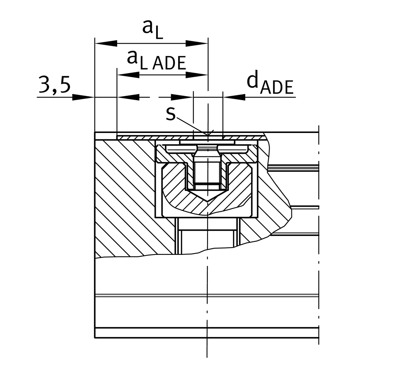
Dimensions
lmax
3,930 mm
Max length single piece guideway 2
aL min
20 mm
Distance 3
aL max
23 mm
Distance 3
aR min
20 mm
Distance 3
aR max
23 mm
Distance 3
jL
30 mm
Increment
h1
11.8 mm
Length
Tol h1
0.5 mm
Upper tolerance
Tol h1
-0.5 mm
Lower tolerance
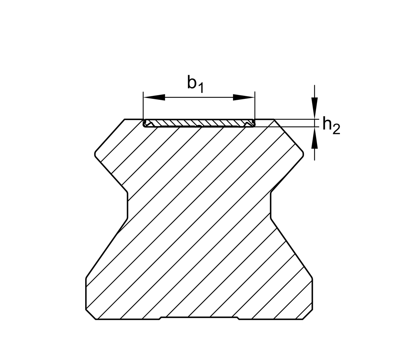
h2
1.1 mm
Depth
b1
13 mm
Width
dADB
3.9 mm
Bore diameter
s
0.6 mm
Thickness

Additional information
RWU25-E-...
usable carriage(s)
RUE25-E-...
Usable linear systems

Your current product variant
Size code25
Length~4000approx. EWL-length
VersionD
Guideway designADEfor stainless steel cover strip, reusable, can be slid into place
Thêm vào yêu cầu báo giá