PRODUCTS
- Home
- Giới thiệu sản phẩm
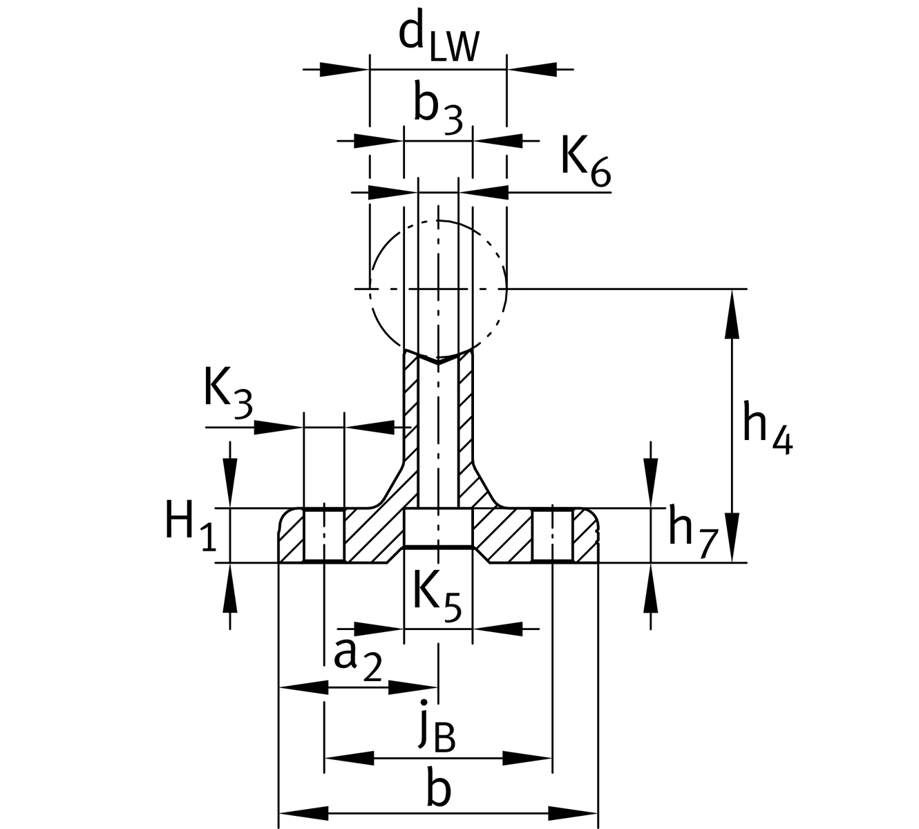
| BGR | 10 | Dimension support body |
| h4 | 28.575 mm | Height dimension 1 |
| Tol h4 | 0.051 mm | Height dimension TOL high |
| Tol h4 | -0.051 mm | Height dimension TOL low |
| b | 41.402 mm | Support rail width bottom |
| Lmax | 1,219.2 mm | Support rail length |
| ≈m | 1.41 kg | Weight |
| jB | 28.702 mm | distance bore |
| b3 | 7.874 mm | Support rail width prism |
| a2 | 20.65 mm | Support rail Width END |
| Tol a2 | 0.051 mm | Height dimension TOL high |
| Tol a2 | -0.051 mm | Height dimension TOL low |
| jL | 101.6 mm | distance radial thread |
| aL min | 15.24 mm | distance radial thread aL (min) 2 |
| aL max | 88.9 mm | distance radial thread aL (max) 2 |
| aR min | 15.24 mm | distance radial thread right aR (min) 2 |
| aR max | 88.9 mm | distance radial thread right aR (max) 2 |
| H1 | 6.35 mm | Support rail height END |
| K3 | 4.902 mm | diameter adjacent construction bore |
| K5 | 7.925 mm | diameter counterbore |
| h7 | 4.572 mm | Depth counterbore |
| K6 | 4.902 mm | diameter connecting design bore |
| m | 0.78 lbs/ft | Support rail weight |
| Diameter shaft | 5/8" | dLW |