PRODUCTS
- Home
- Giới thiệu sản phẩm
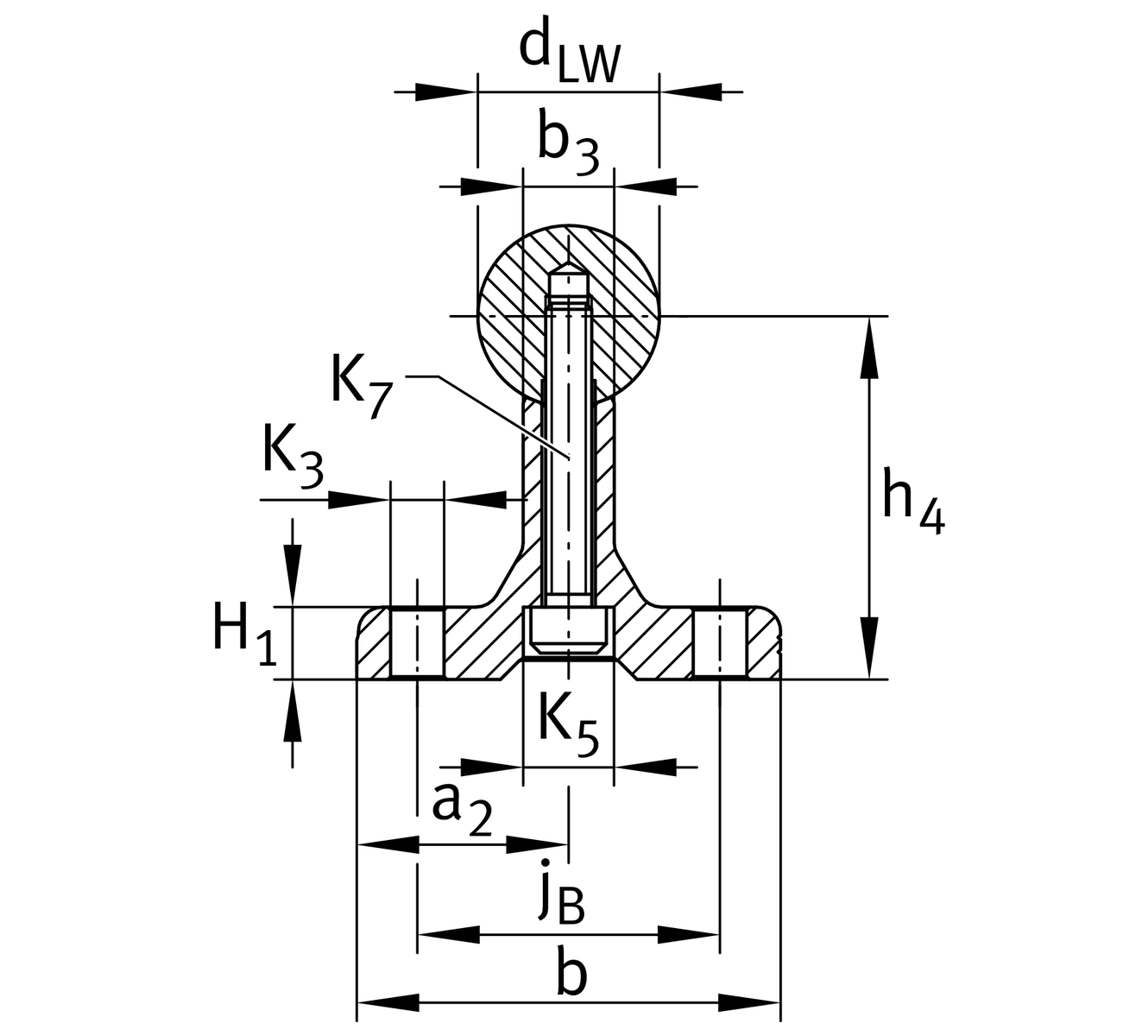
| BGR | 08 | Dimension of shaft and support body |
| Tol dLW | L | Diameter tolerance shaft |
| h4 | 28.575 mm | Height dimension 1 |
| Tol h4 | 0.051 mm | Height dimension tolerance High |
| Tol h4 | -0.051 mm | Height dimension tolerance Low |
| b | 38.1 mm | Support rail width bottom |
| Lmax | 4,267.2 mm | shaft and support rail-length max. 2 |
| jB | 25.4 mm | distance jB of bore |
| b3 | 6.35 mm | Support rail width prism |
| a2 | 1.905 mm | Support rail width stop bar |
| Tol a2 | 0.051 mm | Height dimension tolerance High |
| Tol a2 | -0.051 mm | Height dimension tolerance Low |
| jL | 101.6 mm | distance radial thread |
| aL min | 50.038 mm | distance thread aL (min) 3 |
| aL max | 88.9 mm | distance thread aL (max) 3 |
| aR min | 50.038 mm | distance thread aR (min) 3 |
| aR max | 88.9 mm | distance thread aR (max) 3 |
| H1 | 4.775 mm | Support Rail height stop bar |
| K3 | 4.293 mm | Adjacent construction bore |
| K5 | 7.137 mm | Counterbore |
| K6 | 4.293 mm | Connecting bore |
| K7 | SHR 6-32X1 SOC HD CAP | screw size |
| h7 | 3.81 mm | depth counterbore |
| m | 1.84 kg/m | Shaft and support rail unit weight |
| Diameter shaft | 1/2" | dLW |