PRODUCTS
- Home
- Giới thiệu sản phẩm
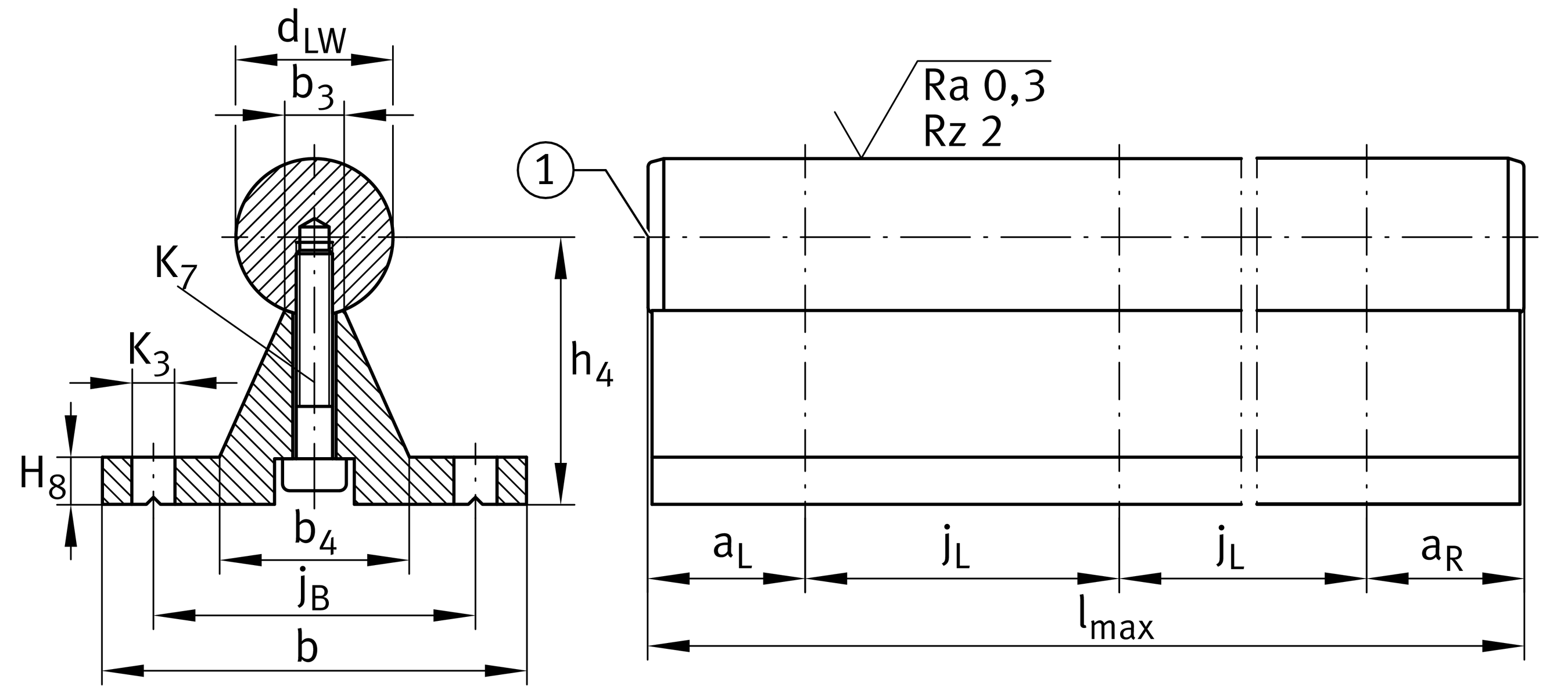
| dLW | 25 mm | Diameter shaft |
| BGR | 25 | Dimension of shaft and support body unit |
| dLWTol | h6 | Diameter tolerance shaft |
| h4 | 39.66 mm | Height dimension 1 |
| h4 tol | 0.02 mm | Height dimension tolerance (High) |
| h4 tol | -0.02 mm | Height dimension tolerance (Low) |
| b | 65 mm | Support rail width bottom |
| Lmax | 6,000 mm | Shaft and support rail unit length 2 |
| Ltol max | 3 mm | length tolerance (max) |
| Ltol min | -3 mm | length tolerance (min) |
| aL min | 20 mm | distance thread aL (min) 3 |
| aL max | 142 mm | distance thread aL (max) 3 |
| aR min | 20 mm | distance thread aR (min) 3 |
| aR max | 142 mm | distance thread aR (max) 3 |
| b3 | 9.3 mm | Support rail width prism |
| b4 | 30.3 mm | Support rail width top |
| H8 | 6 mm | Support rail thickness foot |
| jB | 51 mm | bore width distance jB |
| jL | 150 mm | bore length ditance jL |
| K3 | 6.6 mm | Adjacent construction bore 4 |
| K7 | M6x30 | screw size |
| ms | 5.9 kg/m | Shaft and support rail unit weight |