PRODUCTS
- Home
- Giới thiệu sản phẩm
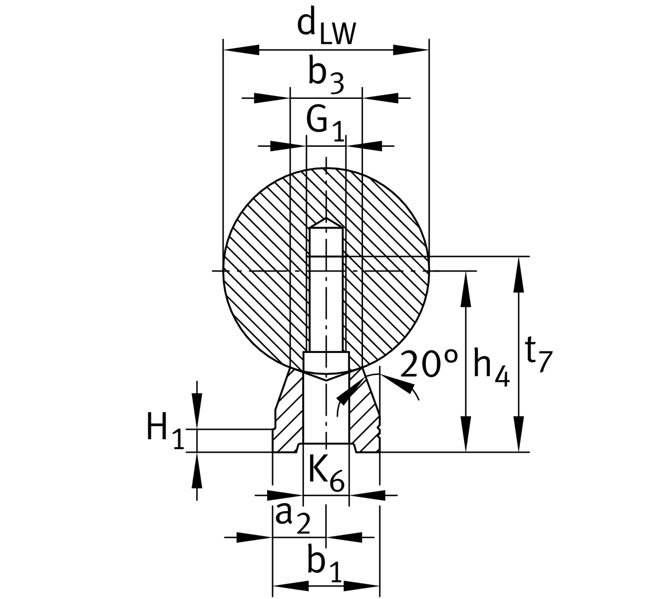
| BGR | 32 | Dimension of shaft and support rail unit |
| dLWtol | L | Diameter tolerance shaft |
| h4 | 44.45 mm | Height dimension 1 |
| Tol h4 | 0.051 mm | Height dimension tolerance high |
| Tol h4 | -0.051 mm | Height dimension tolerance low |
| b1 | 29.972 mm | Support rail width bottom |
| Lmax | 5,181.6 mm | shaft and support rail-length max. 2 |
| ≈m | 29.01 kg/m | Weight |
| a2 | 14.986 mm | Support Rail Width distance-stop bar |
| Tol a2 | 1.27 mm | distance-stop bar tolerance high |
| Tol a2 | -1.27 mm | distance-stop bar tolerance low |
| b3 | 20.93 mm | Support Rail-width prism |
| G1 | 1/2-13 | Thread size (shaft) |
| H1 | 6.35 mm | Support Rail height stop bar |
| m | 0.89 lbs/ft | Shaft and support rail unit weight |
| K6 | 13.487 mm | Connecting bore |
| aL min | 15.24 mm | distance radial thread left (min) 3 |
| aL max | 177.8 mm | distance radial thread left (max) 3 |
| aR min | 15.24 mm | distance radal thread right (min) 3 |
| aR max | 177.8 mm | distance radal thread right (max) 3 |
| jL | 203.2 mm | distance radial thread |
| t7 | 44.45 mm | Screw depth support rail 4 |
| Diameter shaft | 2" | dLW |