PRODUCTS
- Home
- Giới thiệu sản phẩm
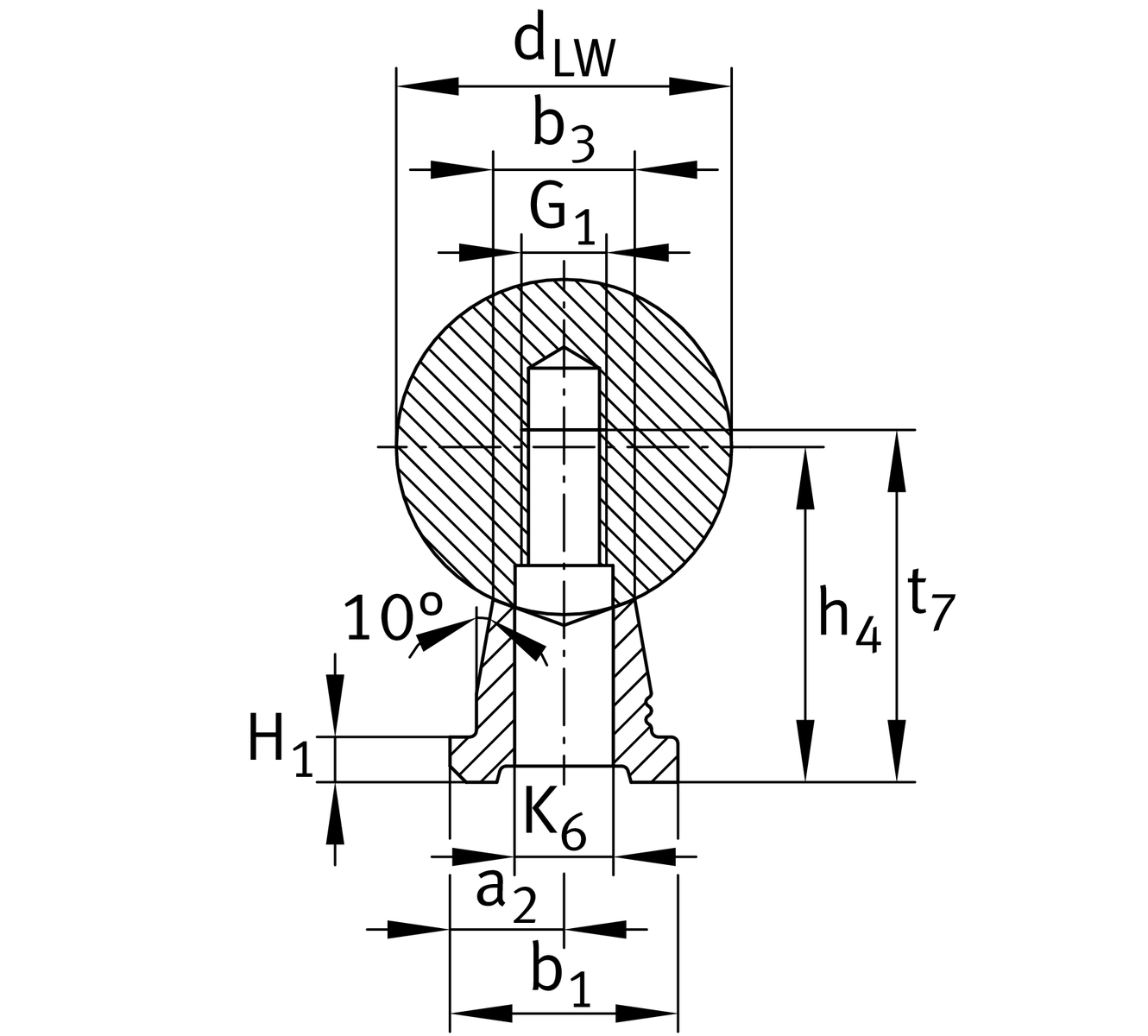
| BGR | 10 | Dimension of shaft and support rail unit |
| dLWtol | L | Diameter tolerance shaft |
| h4 | 17.45 mm | Height dimension 1 |
| Tol h4 | 0.051 mm | Height dimension tolerance high |
| Tol h4 | -0.051 mm | Height dimension tolerance low |
| b1 | 11.43 mm | Support rail width bottom |
| Lmax | 4,572 mm | shaft and support rail-length max. 2 |
| ≈m | 1.77 kg/m | Weight |
| a2 | 5.715 mm | Support Rail Width distance-stop bar |
| Tol a2 | 1.27 mm | distance-stop bar tolerance high |
| Tol a2 | -1.27 mm | distance-stop bar tolerance low |
| b3 | 6.833 mm | Support Rail-width prism |
| G1 | 8-32 | Thread size (shaft) |
| H1 | 3.048 mm | Support Rail height stop bar |
| m | 0.17 lbs/ft | Shaft and support rail unit weight |
| K6 | 4.902 mm | Connecting bore |
| aL min | 15.24 mm | distance radial thread left (min) 3 |
| aL max | 88.9 mm | distance radial thread left (max) 3 |
| aR min | 15.24 mm | distance radal thread right (min) 3 |
| aR max | 88.9 mm | distance radal thread right (max) 3 |
| jL | 101.6 mm | distance radial thread |
| t7 | 19.05 mm | Screw depth support rail 4 |
| Diameter shaft | 5/8" | dLW |