PRODUCTS

  • Home
  • Giới thiệu sản phẩm

FAG
16022-MA
Deep groove ball bearing 16022-MA
Thêm vào yêu cầu báo giá
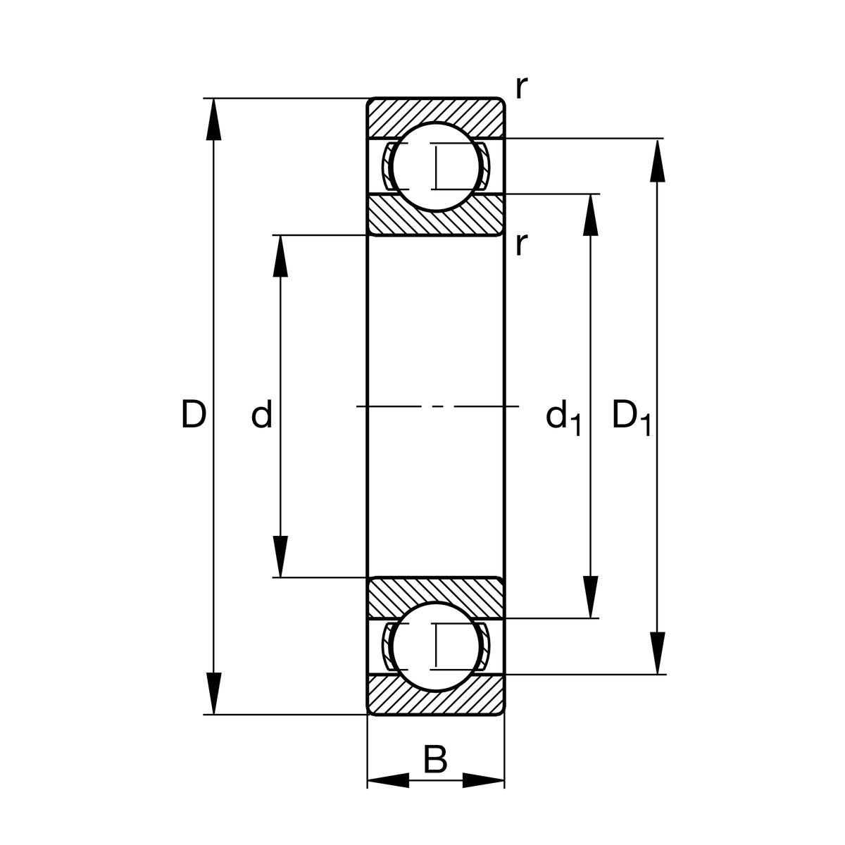
Main Dimensions & Performance Data
d
110 mm
Bore diameter
D
170 mm
Outside diameter
B
19 mm
Width
Cr
61,000 N
Basic dynamic load rating, radial
C0r
57,000 N
Basic static load rating, radial
Cur
2,850 N
Fatigue load limit, radial
nG
7,200 1/min
Limiting speed
nϑr
3,850 1/min
Reference speed
≈m
1.73 kg
Weight

Mounting dimensions
da min
114.6 mm
Minimum diameter shaft shoulder
Da max
165.4 mm
Maximum diameter of housing shoulder
ra max
1 mm
Maximum fillet radius

Dimensions
rmin
1 mm
Minimum chamfer dimension
D1
150 mm
Shoulder diameter outer ring
d1
130.68 mm
Shoulder diameter inner ring

Temperature range
Tmin
-30 °C
Operating temperature min.
Tmax
150 °C
Operating temperature max.

Calculation factors
f0
16.4
Calculation factor

Your current product variant
SealingWithoutNot sealed
CageMAsolid brass cage, outer ring guided
Tolerance classPNNormal (PN)
Dimensional / heat stabilization S0Rings dimensional stabilized up to 150°
LubricantWithoutBearing not greased
Bore typeZCylindrical
Radial internal clearanceCN (Group N)Normal internal clearance
Thêm vào yêu cầu báo giá