PRODUCTS

  • Home
  • Giới thiệu sản phẩm

INA
TKVD42
Guideways for linear recirculating ball bearing unit TKVD42
Thêm vào yêu cầu báo giá
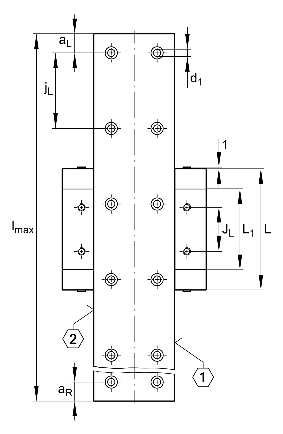
Main Dimensions & Performance Data
h
18 mm
Height
b
42 mm
Width
≈m
5.64 kg/m
Weight

Mounting dimensions
K1 MA
2.5 Nm
Tightening torque
d1
3.8 mm
Bore diameter

Dimensions
lmax
2,940 mm
Max length single piece guideway 1
aL max
53 mm
Distance 2
aL min
20 mm
Distance 2
aR max
53 mm
Distance 2
aR min
20 mm
Distance 2
jL
60 mm
Increment
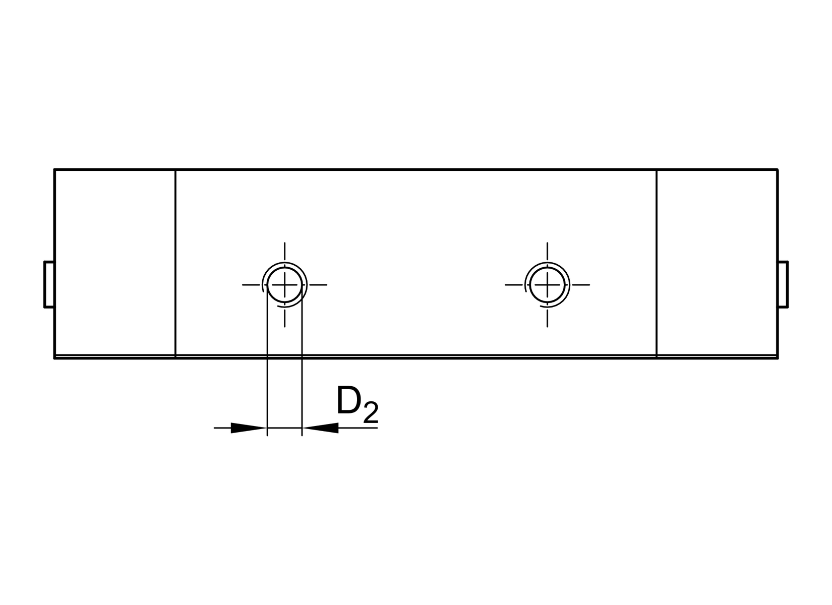
jB
24 mm
Increment
a5
9 mm
Distance
h1
11.4 mm
Length

Your current product variant
Size code42
Thêm vào yêu cầu báo giá