PRODUCTS

  • Home
  • Giới thiệu sản phẩm

INA
TKVD32
Guideways for linear recirculating ball bearing unit TKVD32
Thêm vào yêu cầu báo giá
Main Dimensions & Performance Data
h
10 mm
Height
b
31.8 mm
Width
≈m
2.3 kg/m
Weight

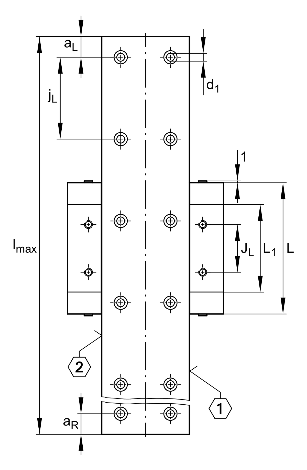
Mounting dimensions
K1 MA
2.5 Nm
Tightening torque
d1
3.8 mm
Bore diameter

Dimensions
lmax
1,960 mm
Max length single piece guideway 1
aL max
34 mm
Distance 2
aL min
20 mm
Distance 2
aR max
34 mm
Distance 2
aR min
20 mm
Distance 2
jL
40 mm
Increment
jB
18 mm
Increment
a5
6.9 mm
Distance
h1
3.4 mm
Length

Your current product variant
Size code32
Thêm vào yêu cầu báo giá