PRODUCTS

  • Home
  • Giới thiệu sản phẩm

INA
TKVD25-W
Profile rail TKVD25-W
Thêm vào yêu cầu báo giá
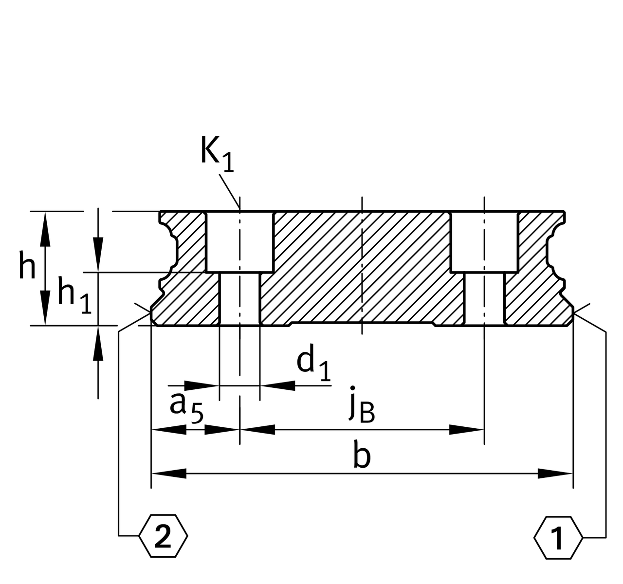
Main Dimensions & Performance Data
h
18.7 mm
Height
b
69 mm
Width
Tol b
-0.005 mm
Upper tolerance
Tol b
-0.035 mm
Lower tolerance
≈m
9.4 kg/m
Weight

Mounting dimensions
K1
M6
Thread
K1 MA
17 Nm
Tightening torque 1
d1
6.8 mm
Bore diameter

Dimensions
lmax
6,000 mm
Max length single piece guideway 2
aL max
71 mm
Distance 3
aL min
20 mm
Distance 3
aR max
71 mm
Distance 3
aR min
20 mm
Distance 3
jL
80 mm
Increment
jB
40 mm
Increment
a5
14.5 mm
Distance
h1
8.2 mm
length
Tol h1
0.5 mm
Upper tolerance
Tol h1
-0.5 mm
Distance Distance

Additional information
KWVE25-W...
usable carriage(s)
KUVE25-W...
usable linear systems

Your current product variant
Size code25
Length~6000
Guideway designWwide execution
Thêm vào yêu cầu báo giá