PRODUCTS

  • Home
  • Giới thiệu sản phẩm

INA
TKVD20-W
Profile rail TKVD20-W
Thêm vào yêu cầu báo giá
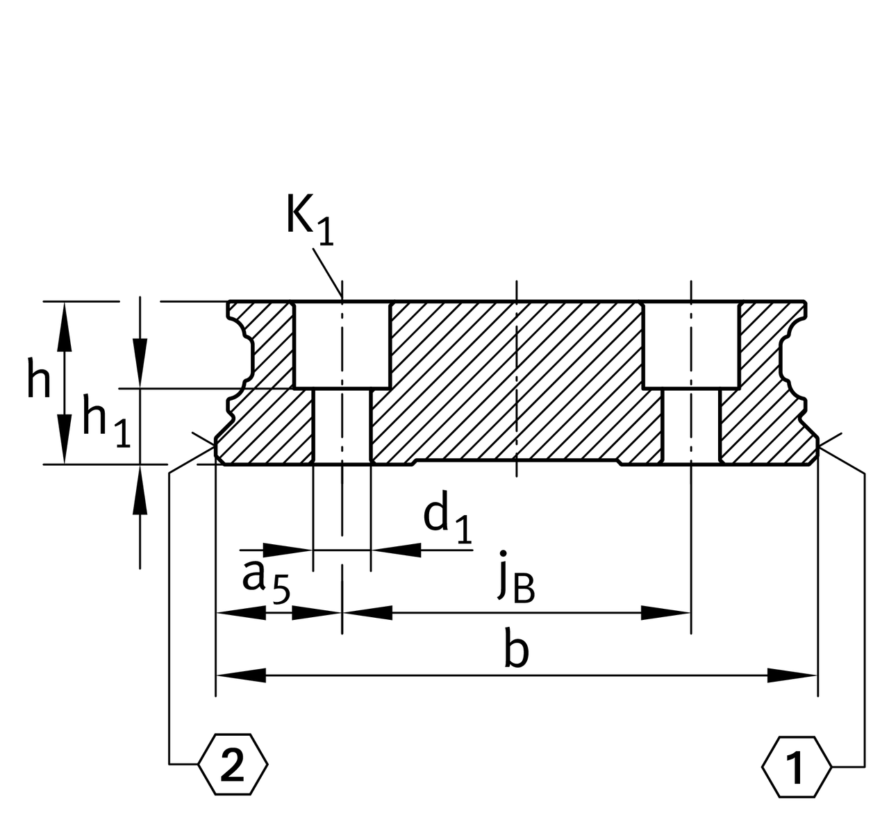
Main Dimensions & Performance Data
h
17 mm
Height
b
42 mm
Width
Tol b
-0.005 mm
Upper tolerance
Tol b
-0.035 mm
Lower tolerance
≈m
5 kg/m
Weight

Mounting dimensions
K1
M4
Thread
K1 MA
5 Nm
Tightening torque 1
d1
5.8 mm
Bore diameter

Dimensions
lmax
2,940 mm
Max length single piece guideway 2
aL max
53 mm
Distance 3
aL min
20 mm
Distance 3
aR max
53 mm
Distance 3
aR min
20 mm
Distance 3
jL
60 mm
Increment
jB
24 mm
Increment
a5
9 mm
Distance
h1
10 mm
length
Tol h1
0.5 mm
Upper tolerance
Tol h1
-0.5 mm
Distance Distance

Additional information
KWVE20-W...
usable carriage(s)
KUVE20-W...
usable linear systems

Your current product variant
Size code20
Length~3000
Guideway designWwide execution
Thêm vào yêu cầu báo giá