PRODUCTS

  • Home
  • Giới thiệu sản phẩm

INA
TKVD15-W
Profile rail TKVD15-W
Thêm vào yêu cầu báo giá
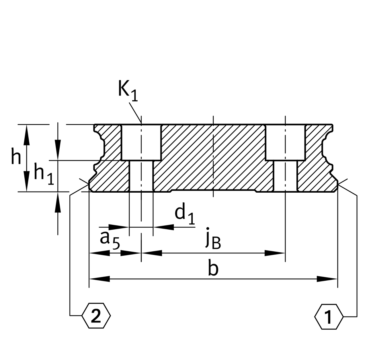
Main Dimensions & Performance Data
h
12.9 mm
Height
b
37 mm
Width
Tol b
-0.005 mm
Upper tolerance
Tol b
-0.035 mm
Lower tolerance
≈m
3.6 kg/m
Weight

Mounting dimensions
K1
M4
Thread
K1 MA
5 Nm
Tightening torque 1
d1
4.6 mm
Bore diameter

Dimensions
lmax
2,950 mm
Max length single piece guideway 2
aL max
44 mm
Distance 3
aL min
10 mm
Distance 3
aR max
44 mm
Distance 3
aR min
10 mm
Distance 3
jL
50 mm
Increment
jB
22 mm
Increment
a5
7.5 mm
Distance
h1
6 mm
length
Tol h1
0.5 mm
Upper tolerance
Tol h1
-0.5 mm
Distance Distance

Additional information
KWVE15-W...
usable carriage(s)
KUVE15-W...
usable linear systems

Your current product variant
Size code15
Length~3000
Guideway designWwide execution
Thêm vào yêu cầu báo giá