PRODUCTS

  • Home
  • Giới thiệu sản phẩm

INA
TKSD35-ADE
Profile rail TKSD35-ADE
Thêm vào yêu cầu báo giá
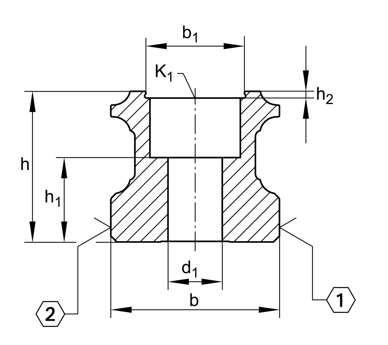
Main Dimensions & Performance Data
h
29.7 mm
Height
b
34 mm
Width
Tol b
-0.005 mm
Upper tolerance
Tol b
-0.035 mm
Lower tolerance
≈m
6.5 kg/m
Weight

Mounting dimensions
K1
M8
Fixing screws (DIN ISO 4762-12.9)
K1 MA
41 Nm
Tightening torque 1
d1
9 mm
bore diameter

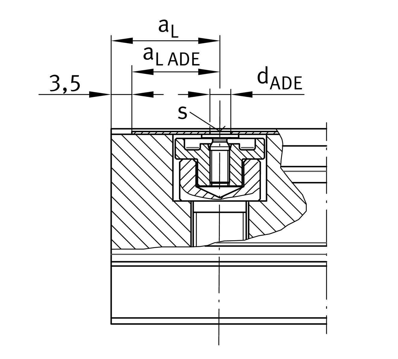
Dimensions
lmax
6,000 mm
Max length single piece guideway 2
aL min
20 mm
Distance 3
aL max
71 mm
Distance 3
aR min
20 mm
Distance 3
aR max
71 mm
Distance 3
jL
80 mm
Increment
h1
17.2 mm
Length
Tol h1
0.5 mm
Upper tolerance
Tol h1
-0.5 mm
Lower tolerance
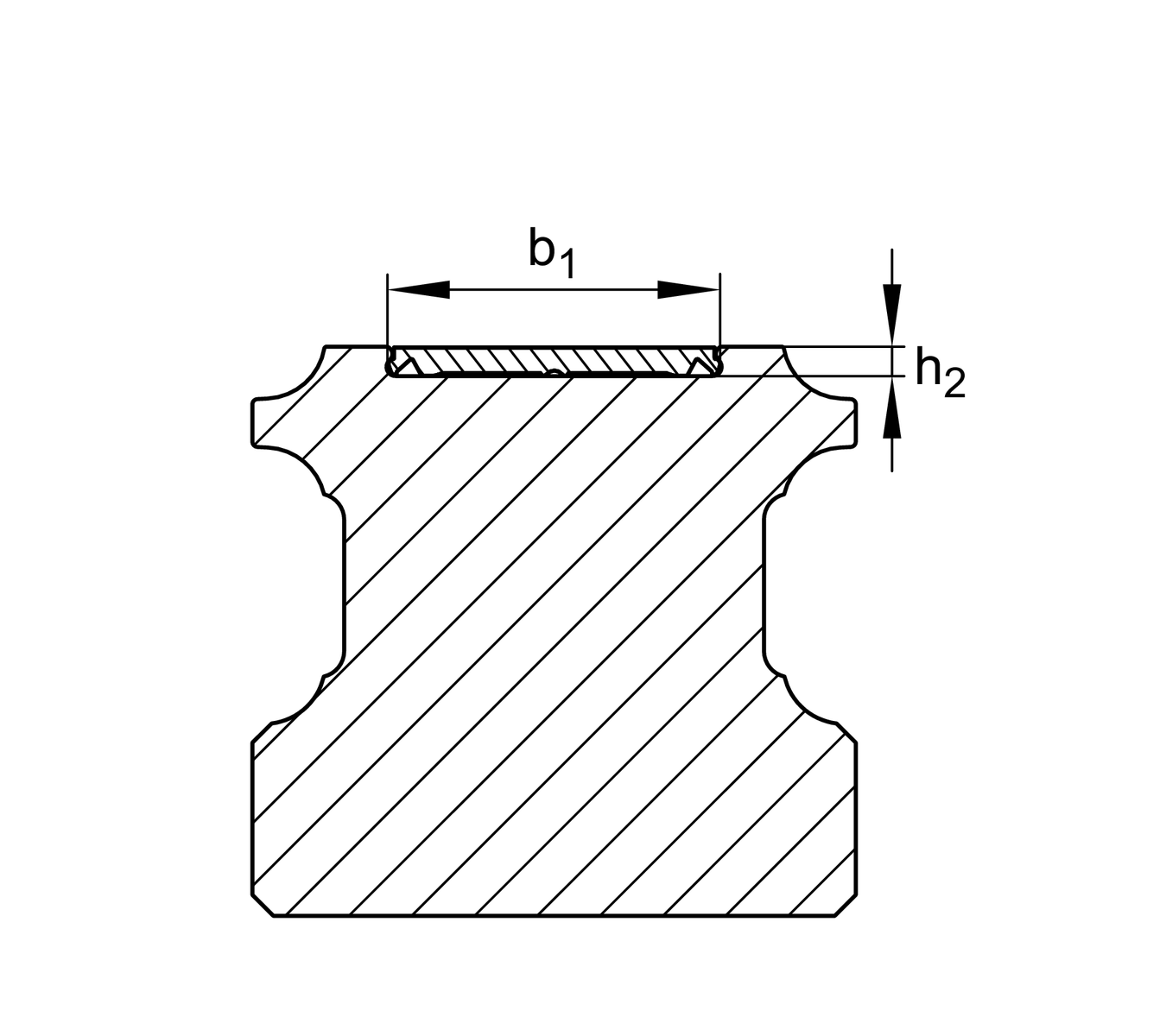
h2
1.1 mm
Depth
b1
17 mm
Width
dADE
3.9 mm
Bore diameter
s
0.6 mm
Thickness

Additional information
KWSE35...
usable carriage(s)
KUSE35...
Usable linear systems

Your current product variant
Size code35
Length~6000approx. EWL-length
Guideway designADEfor stainless steel cover strip, reusable, can be slid into place
Thêm vào yêu cầu báo giá