PRODUCTS

  • Home
  • Giới thiệu sản phẩm

FAG
16012
Deep groove ball bearing 16012
Thêm vào yêu cầu báo giá
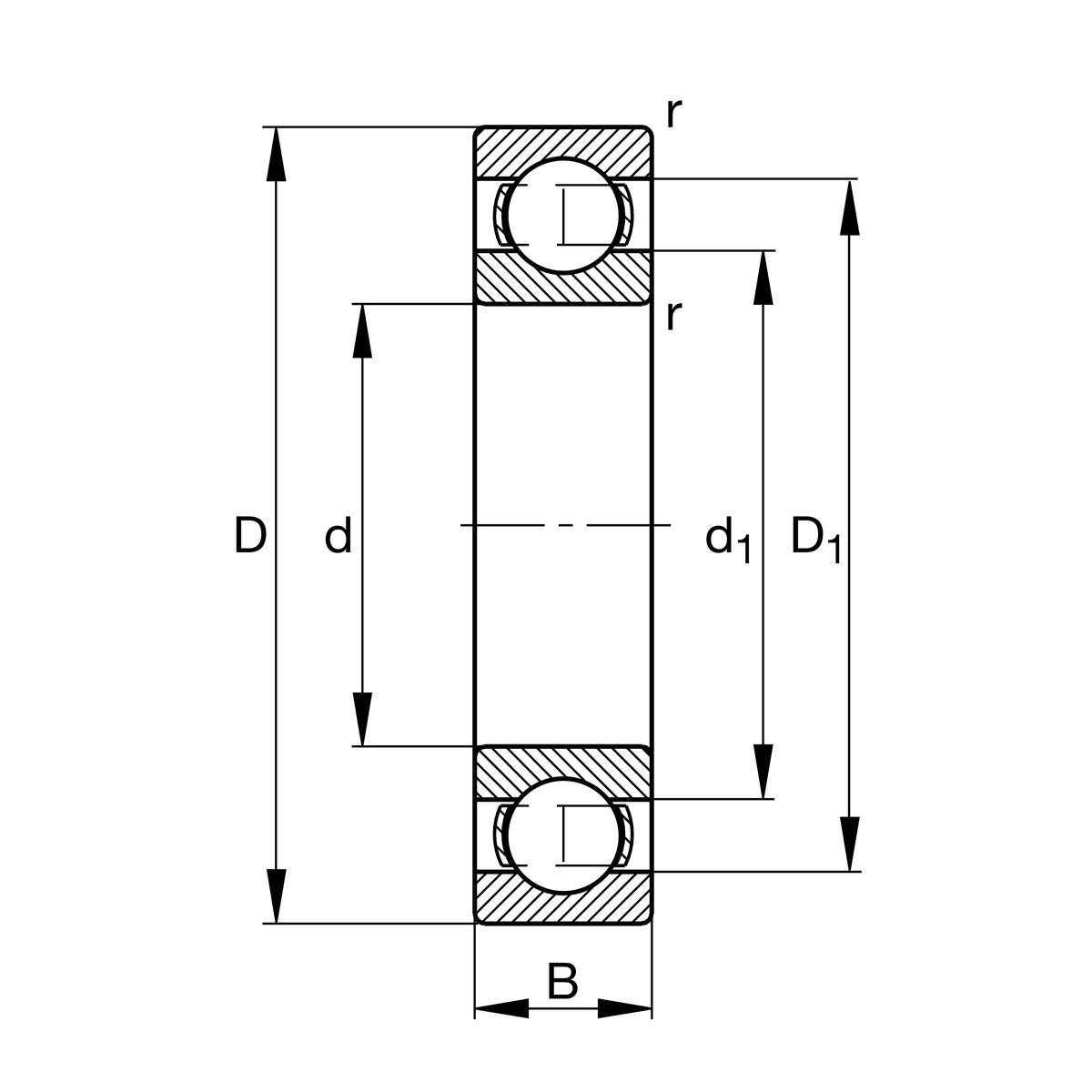
Main Dimensions & Performance Data
d
60 mm
Bore diameter
D
95 mm
Outside diameter
B
11 mm
Width
Cr
21,200 N
Basic dynamic load rating, radial
C0r
17,500 N
Basic static load rating, radial
Cur
840 N
Fatigue load limit, radial
nG
10,500 1/min
Limiting speed
nϑr
5,700 1/min
Reference speed
≈m
0.271 kg
Weight

Mounting dimensions
da min
63.2 mm
Minimum diameter shaft shoulder
Da max
91.8 mm
Maximum diameter of housing shoulder
ra max
0.6 mm
Maximum fillet radius

Dimensions
rmin
0.6 mm
Minimum chamfer dimension
D1
82.98 mm
Shoulder diameter outer ring
d1
72.12 mm
Shoulder diameter inner ring

Temperature range
Tmin
-30 °C
Operating temperature min.
Tmax
150 °C
Operating temperature max.

Calculation factors
f0
16.3
Calculation factor

Your current product variant
SealingWithoutNot sealed
CageJNsteel sheet metal
Tolerance classPNNormal (PN)
Dimensional / heat stabilization S0Rings dimensional stabilized up to 150°
LubricantWithoutBearing not greased
Bore typeZCylindrical
Radial internal clearanceCN (Group N)Normal internal clearance
Thêm vào yêu cầu báo giá