PRODUCTS

  • Home
  • Giới thiệu sản phẩm

FAG
UCFL212-37
Flanged housing unit UCFL212-37
Thêm vào yêu cầu báo giá
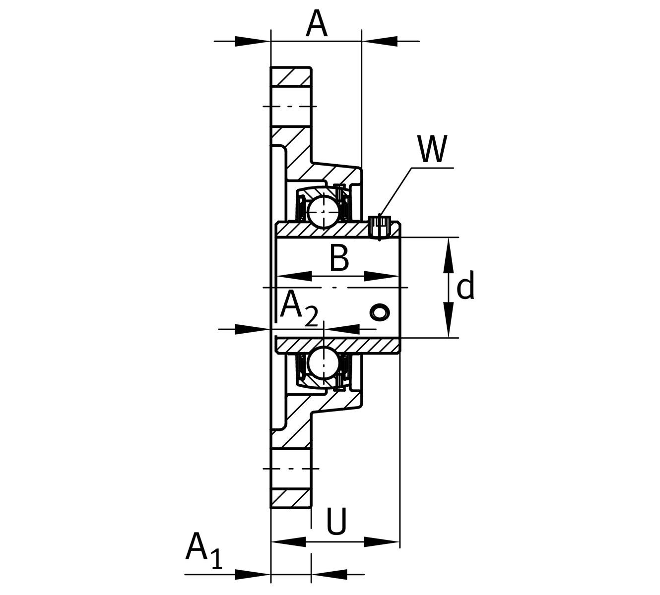
Main Dimensions & Performance Data
d
58.738 mm
Bore diameter
L
140 mm
Flange width
H
250 mm
Height flange
U
68.7 mm
Total height unit
Cr
52,000 N
Basic dynamic load rating, radial
C0r
36,000 N
Basic static load rating, radial
Cur
1,530 N
Fatigue load limit, radial
≈m
4.02 kg
Weight

Mounting dimensions
J
202 mm
Distance fixing bore
N
23 mm
Fixing bore
n
2
Number of screwing holes

Dimensions
A
48 mm
Height housing
A1
20 mm
Thickness of flange
A2
29 mm
Distance raceway
B
65.1 mm
Width
Q
M6
Connection thread for lubrication

Additional information
1
Number of housings
FL212
Housing
UC212-37
Bearing designation

Temperature range
Tmin
-20 °C
Operating temperature min.
Tmax
120 °C
Operating temperature max.

Your current product variant
MaterialGGGrey cast iron
Thêm vào yêu cầu báo giá