PRODUCTS

  • Home
  • Giới thiệu sản phẩm

FAG
UCFA211-35
Take-up housing unit UCFA211-35
Thêm vào yêu cầu báo giá
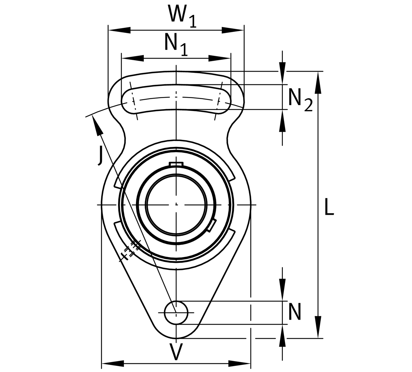
Main Dimensions & Performance Data
d
55.56 mm
Bore diameter
L
219 mm
Length total
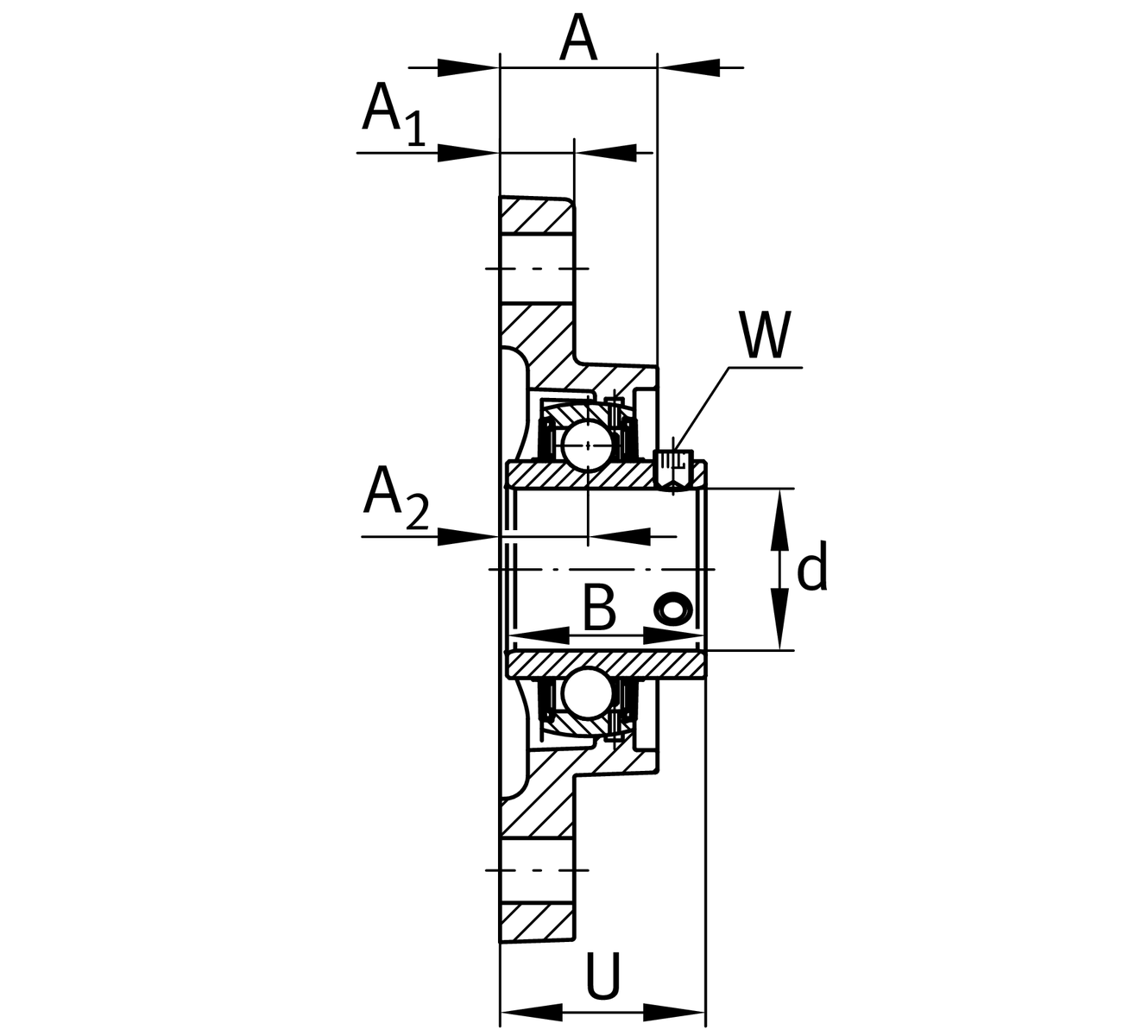
U
58.4 mm
Total height unit
≈m
2.94 kg
Weight

Mounting dimensions
N
16 mm
Fixing bore
N1
86 mm
Length (slot)
N2
16 mm
Width (slot)
J
184 mm
Distance fixing bore

Dimensions
A1
20 mm
Thickness of flange
A2
25 mm
Distance raceway
A
43 mm
Height housing
V
130 mm
Shoulder diameter housing
W
104 mm
Width housing slot side
Q
M6
Connection thread for lubrication

Additional information
FA211
Housing
UC211-35
Bearing designation

Temperature range
Tmin
-20 °C
Operating temperature min.
Tmax
120 °C
Operating temperature max.

Your current product variant
MaterialGGGrey cast iron
Thêm vào yêu cầu báo giá