PRODUCTS

  • Home
  • Giới thiệu sản phẩm

FAG
UKP212
Plummer block housing unit UKP212
Thêm vào yêu cầu báo giá
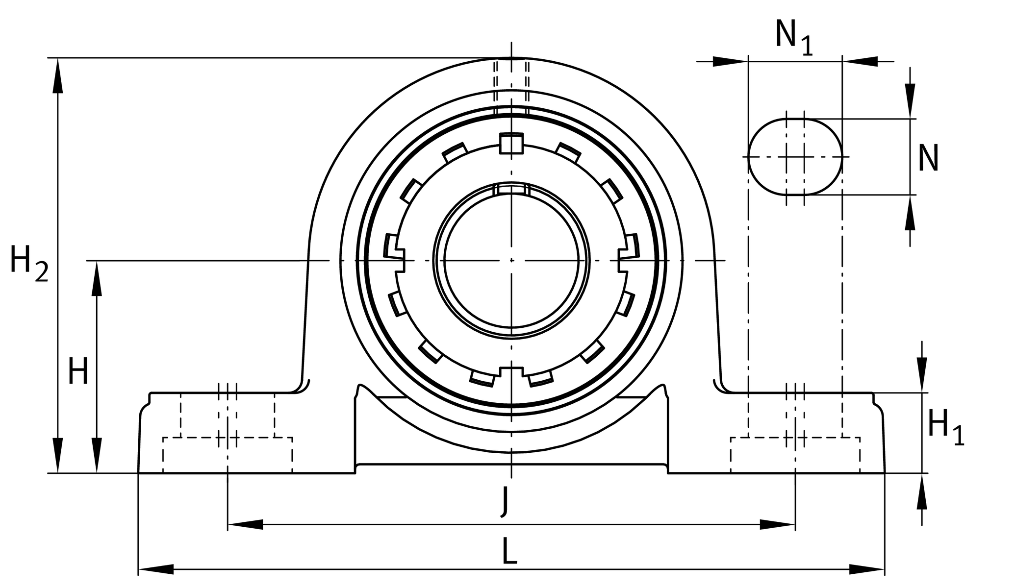
Main Dimensions & Performance Data
d
55 mm
Bore diameter
L
241 mm
Length total
H2
138 mm
Height
≈m
4.71 kg
Weight

Mounting dimensions
J
184 mm
Distance fixing bore
N
20 mm
Width (slot)
N1
25 mm
Length (slot)

Dimensions
H
69.8 mm
Distance shaft axis
A
70 mm
Width (base)
H1
25 mm
Heigth (base)
B1
62 mm
Locking collar total width
Q
M6
Connection thread for lubrication

Additional information
P212
Housing
UK212
Bearing designation

Temperature range
Tmin
-20 °C
Operating temperature min.
Tmax
120 °C
Operating temperature max.

Your current product variant
MaterialGGGrey cast iron
Housing clearanceJ7Normal swivel torque
Thêm vào yêu cầu báo giá