PRODUCTS

  • Home
  • Giới thiệu sản phẩm

INA
AM90
Precision locknut AM90
Thêm vào yêu cầu báo giá
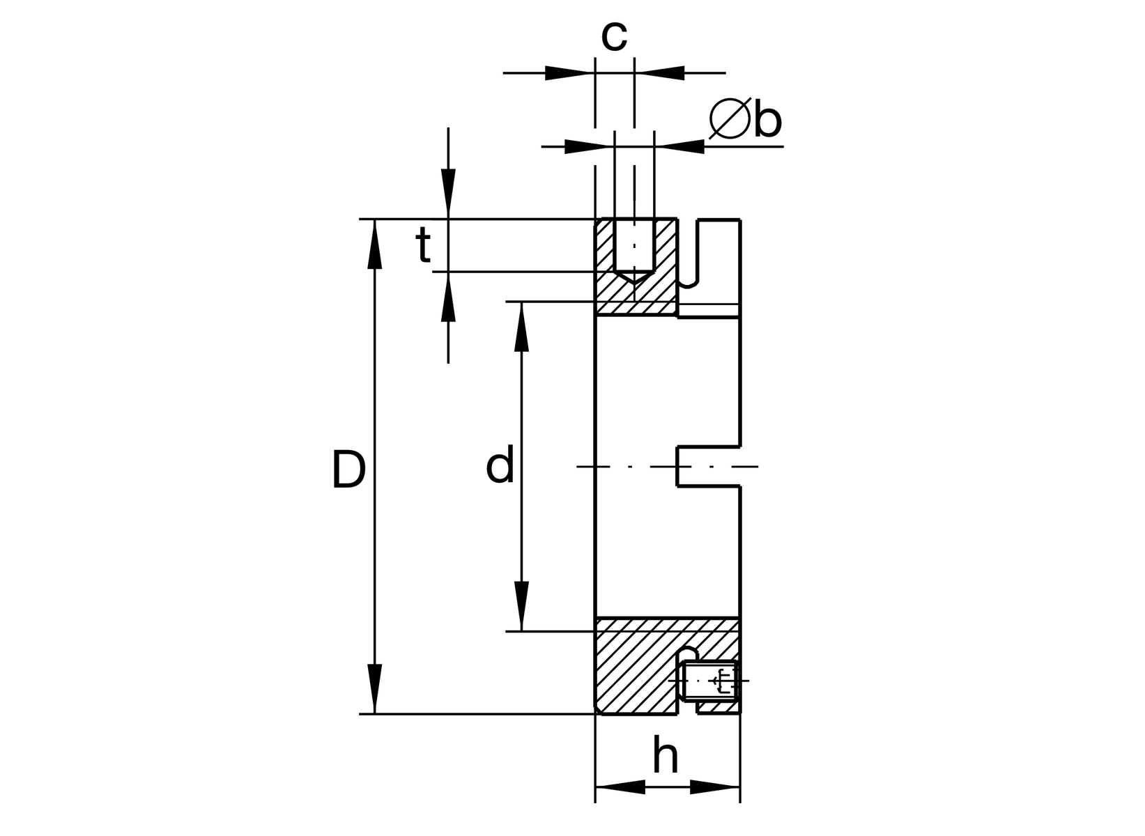
Main Dimensions & Performance Data
d
M90X2
Thread
D
130 mm
Outside diameter
h
32 mm
Height
FaB
900,000 N
Breaking load, axial
ML
1,100 Nm
Breakawag
MAL
200 Nm
Mounting torque reference
Mm
48 kg*cm2
Mass moment of inertia
≈m
1.52 kg
Weight

Mounting dimensions
Mm
20 Nm
Mounting torque set screw

Dimensions
b
8 mm
Bore diameter blind hole
t
10 mm
Depth blind hole
d1
118 mm
Pitch circle diameter 1 (holes)
c
13 mm
Distance bore
m
M10
Threaded - threaded pin
H11
Bore diameter blind hole housing fit
Thêm vào yêu cầu báo giá