PRODUCTS

  • Home
  • Giới thiệu sản phẩm

INA
AM50
Precision locknut AM50
Thêm vào yêu cầu báo giá
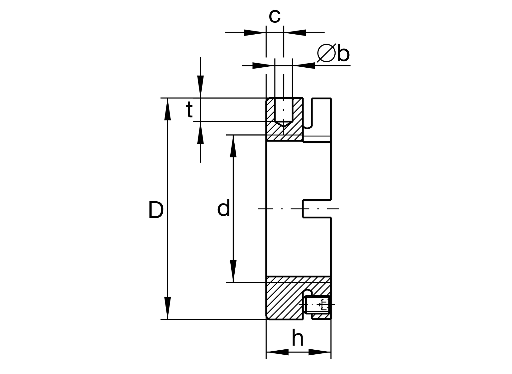
Main Dimensions & Performance Data
d
M50X1,5
Thread
D
75 mm
Outside diameter
h
25 mm
Height
FaB
450,000 N
Breaking load, axial
ML
280 Nm
Breakawag
MAL
85 Nm
Mounting torque reference
Mm
4.3 kg*cm2
Mass moment of inertia
≈m
417 g
Weight

Mounting dimensions
Mm
5 Nm
Mounting torque set screw

Dimensions
b
6 mm
Bore diameter blind hole
t
8 mm
Depth blind hole
d1
68 mm
Pitch circle diameter 1 (holes)
c
8 mm
Distance bore
m
M6
Threaded - threaded pin
H11
Bore diameter blind hole housing fit
Thêm vào yêu cầu báo giá