PRODUCTS

  • Home
  • Giới thiệu sản phẩm

INA
AM35/58
Precision locknut AM35/58
Thêm vào yêu cầu báo giá
Main Dimensions & Performance Data
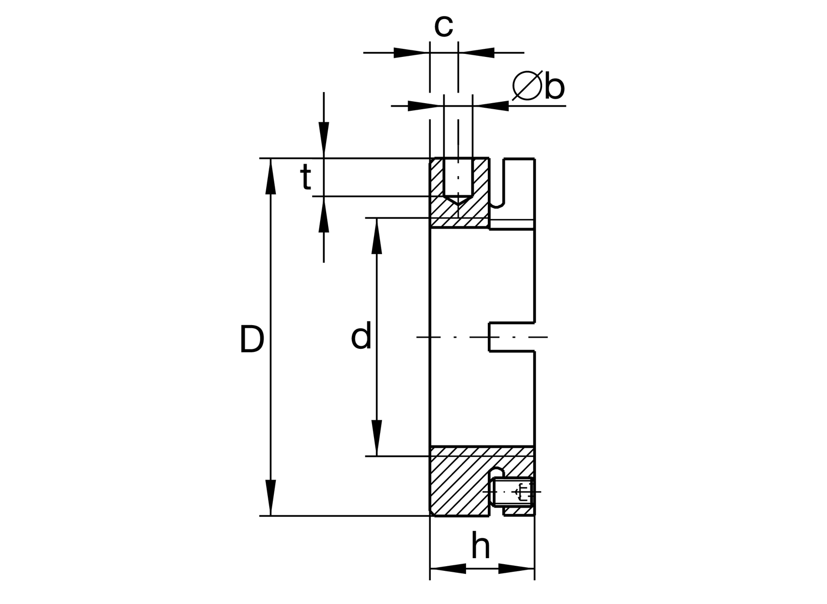
d
M35X1,5
Thread
D
58 mm
Outside diameter
h
20 mm
Height
FaB
280,000 N
Breaking load, axial
ML
90 Nm
Breakawag
MAL
40 Nm
Mounting torque reference
Mm
1.3 kg*cm2
Mass moment of inertia
≈m
208 g
Weight

Mounting dimensions
Mm
5 Nm
Mounting torque set screw

Dimensions
b
5 mm
Bore diameter blind hole
t
7 mm
Depth blind hole
d1
51 mm
Pitch circle diameter 1 (holes)
c
6 mm
Distance bore
m
M6
Threaded - threaded pin
H11
Bore diameter blind hole housing fit
Thêm vào yêu cầu báo giá