PRODUCTS

  • Home
  • Giới thiệu sản phẩm

INA
AM30
Precision locknut AM30
Thêm vào yêu cầu báo giá
Main Dimensions & Performance Data
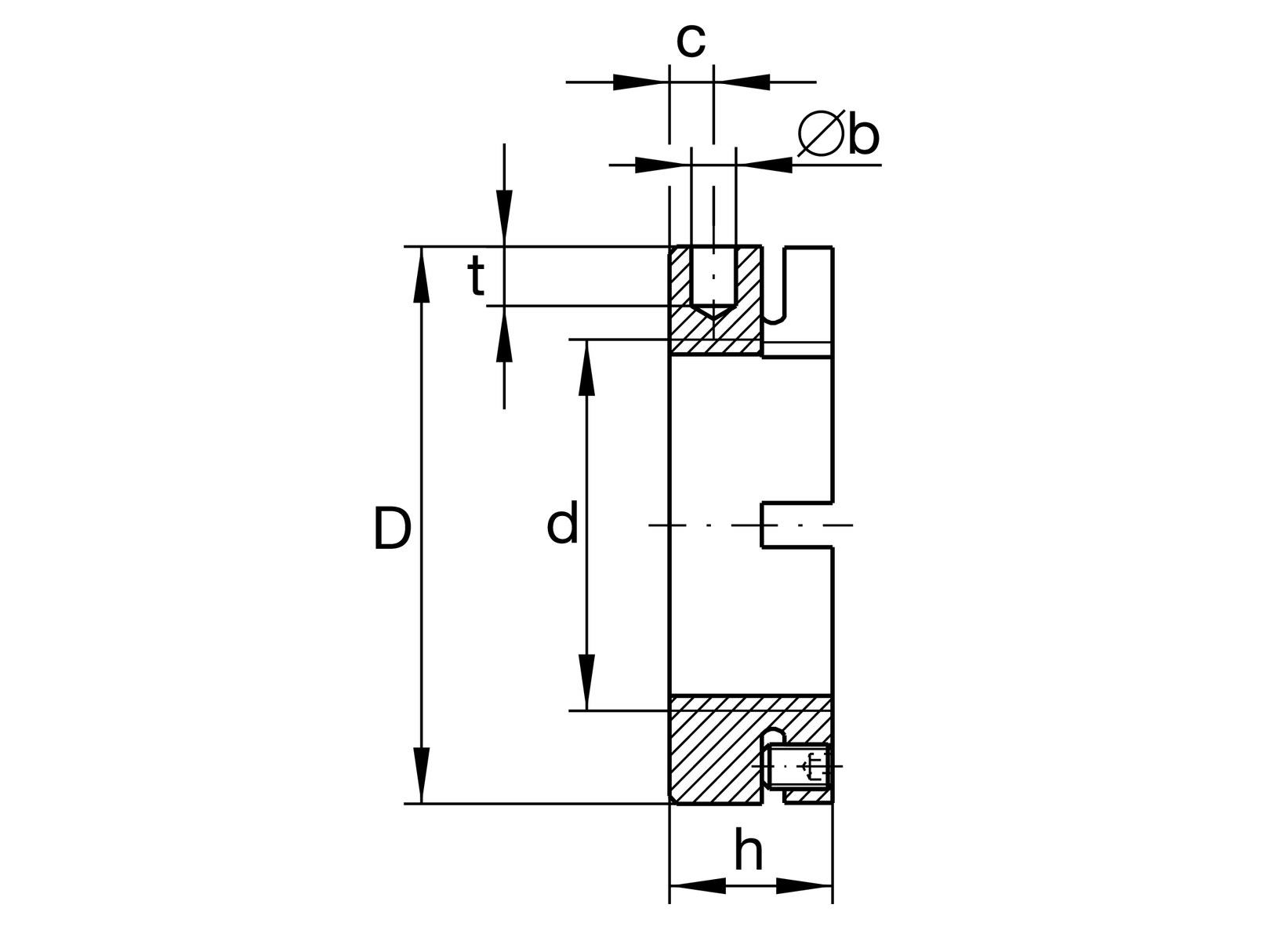
d
M30X1,5
Thread
D
52 mm
Outside diameter
h
20 mm
Height
FaB
250,000 N
Breaking load, axial
ML
70 Nm
Breakawag
MAL
32 Nm
Mounting torque reference
Mm
0.86 kg*cm2
Mass moment of inertia
≈m
190.55 g
Weight

Mounting dimensions
Mm
5 Nm
Mounting torque set screw

Dimensions
b
5 mm
Bore diameter blind hole
t
7 mm
Depth blind hole
d1
45 mm
Pitch circle diameter 1 (holes)
c
6 mm
Distance bore
m
M6
Threaded - threaded pin
H11
Bore diameter blind hole housing fit
Thêm vào yêu cầu báo giá