PRODUCTS

  • Home
  • Giới thiệu sản phẩm

INA
AM130
Precision locknut AM130
Thêm vào yêu cầu báo giá
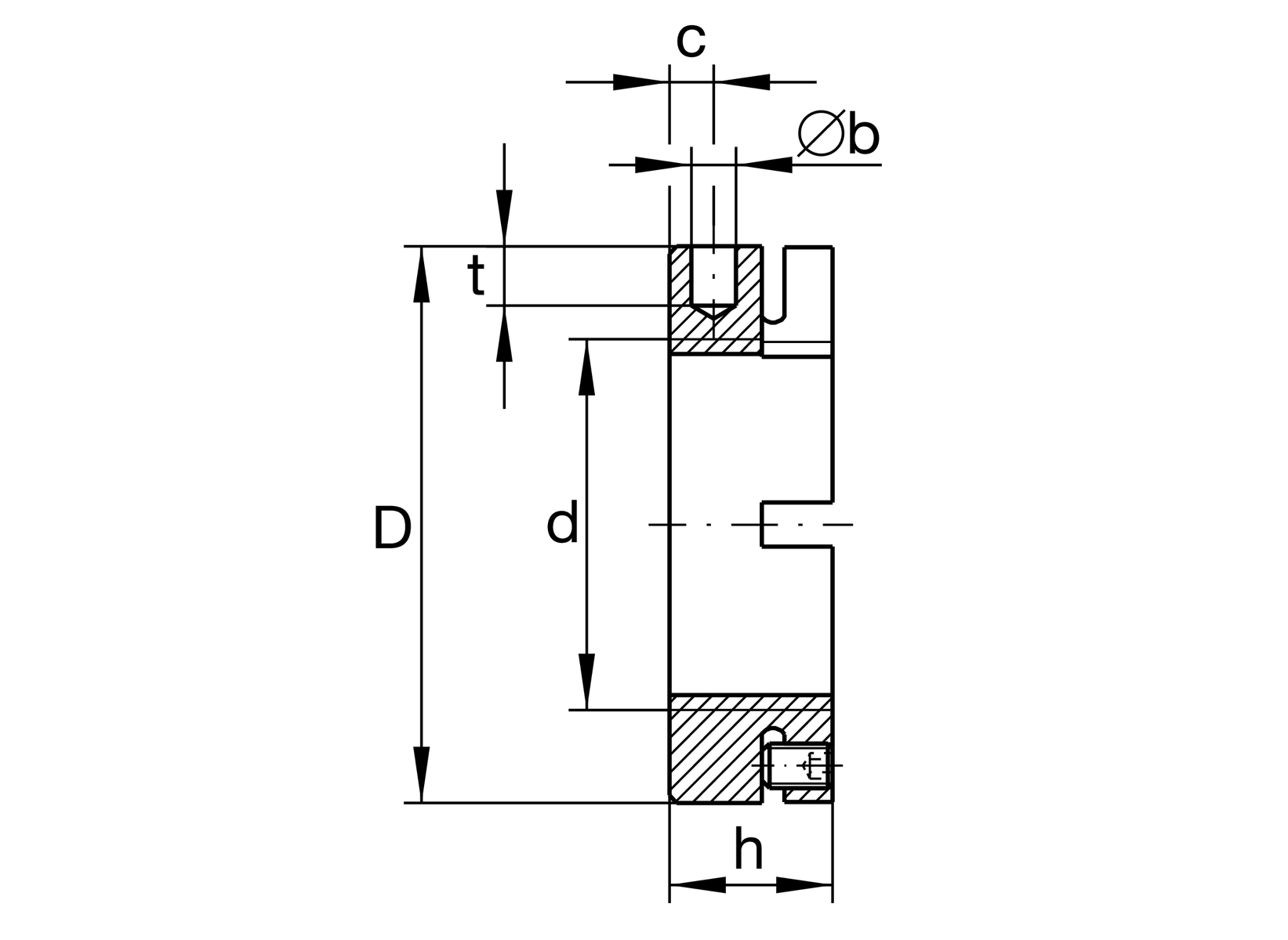
Main Dimensions & Performance Data
d
M130X2
Thread
D
165 mm
Outside diameter
h
30 mm
Height
FaB
900,000 N
Breaking load, axial
ML
1,600 Nm
Breakawag
MAL
250 Nm
Mounting torque reference
Mm
92 kg*cm2
Mass moment of inertia
≈m
1.67 kg
Weight

Mounting dimensions
Mm
20 Nm
Mounting torque set screw

Dimensions
b
8 mm
Bore diameter blind hole
t
10 mm
Depth blind hole
d1
152 mm
Pitch circle diameter 1 (holes)
c
10 mm
Distance bore
m
M10
Threaded - threaded pin
H11
Bore diameter blind hole housing fit
Thêm vào yêu cầu báo giá