PRODUCTS

  • Home
  • Giới thiệu sản phẩm

INA
DRS40100
Seal carrier Assy DRS40100
Thêm vào yêu cầu báo giá
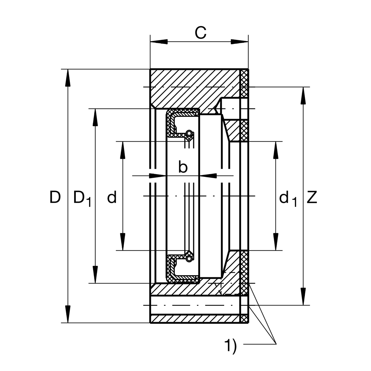
Main Dimensions & Performance Data
d1
65 mm
Inner diameter centering
D
100 mm
Outside diameter
C
19 mm
Width wave carrier
≈m
0.469 kg
Weight

Dimensions
Z
90 mm
Pitch circle diameter (holes)
d
65 mm
Inner diameter centering seal lip
D1
80 mm
Outside diameter seal
b
8 mm
Width seal
M4X30
Screw size
1)
4
Number of screws

Additional information
ZARF40100(-L)-TV
Bearing designation
Thêm vào yêu cầu báo giá