PRODUCTS

  • Home
  • Giới thiệu sản phẩm

FAG
1311-TVH-C3
Self-aligning ball bearing 1311-TVH-C3
Thêm vào yêu cầu báo giá
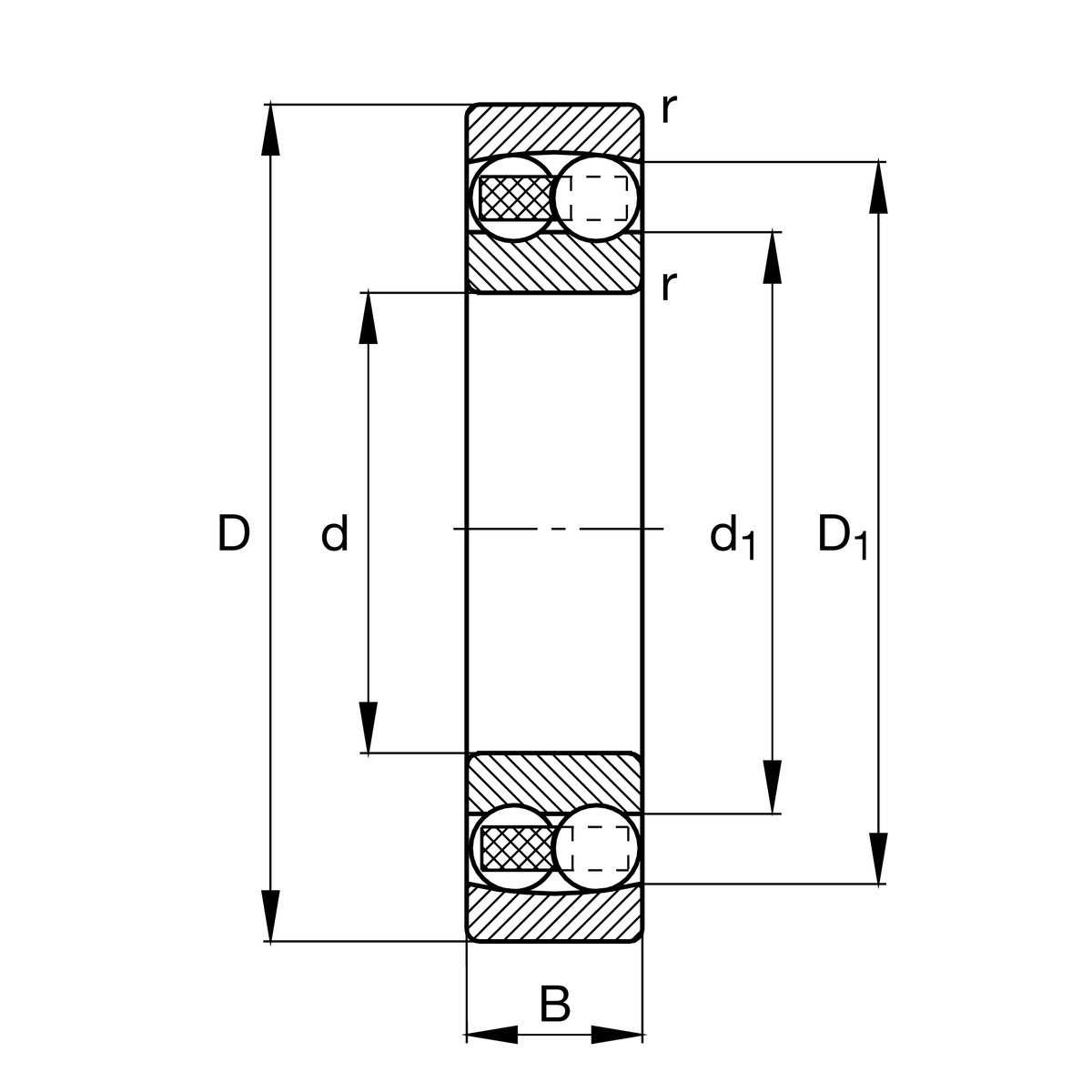
Main Dimensions & Performance Data
d
55 mm
Bore diameter
D
120 mm
Outside diameter
B
29 mm
Width
Cr
52,000 N
Basic dynamic load rating, radial
C0r
17,900 N
Basic static load rating, radial
Cur
1,130 N
Fatigue load limit, radial
nG
6,100 1/min
Limiting speed
nϑr
5,800 1/min
Reference speed
≈m
1.58 kg
Weight

Mounting dimensions
da min
66 mm
Minimum diameter shaft shoulder
Da max
109 mm
Maximum diameter of housing shoulder
ra max
2 mm
Maximum fillet radius

Dimensions
rmin
2 mm
Minimum chamfer dimension
D1
101.04 mm
Shoulder diameter outer ring
d1
78 mm
Shoulder diameter inner ring

Temperature range
Tmin
-30 °C
Operating temperature min.
Tmax
120 °C
Operating temperature max.

Calculation factors
e
0.24
Limiting value of Fa/Fr for the applicability of diff. Values of factors X and Y
Y1
2.65
Dynamic axial load factor
Y2
4.1
Dynamic axial load factor
Y0
2.78
Static axial load factor

Your current product variant
Bore typeZCylindrical
SealingWithoutNot sealed
CageTVHsolid cage made of glass-fiber reinforced polyamid PA66
Tolerance classPNNormal (PN)
LubricantWithoutBearing not greased
Radial internal clearanceC3 (Group 3)Internal clearance larger than CN
Thêm vào yêu cầu báo giá