PRODUCTS

  • Home
  • Giới thiệu sản phẩm

FAG
11211-TVH
Self-aligning ball bearing 11211-TVH
Thêm vào yêu cầu báo giá
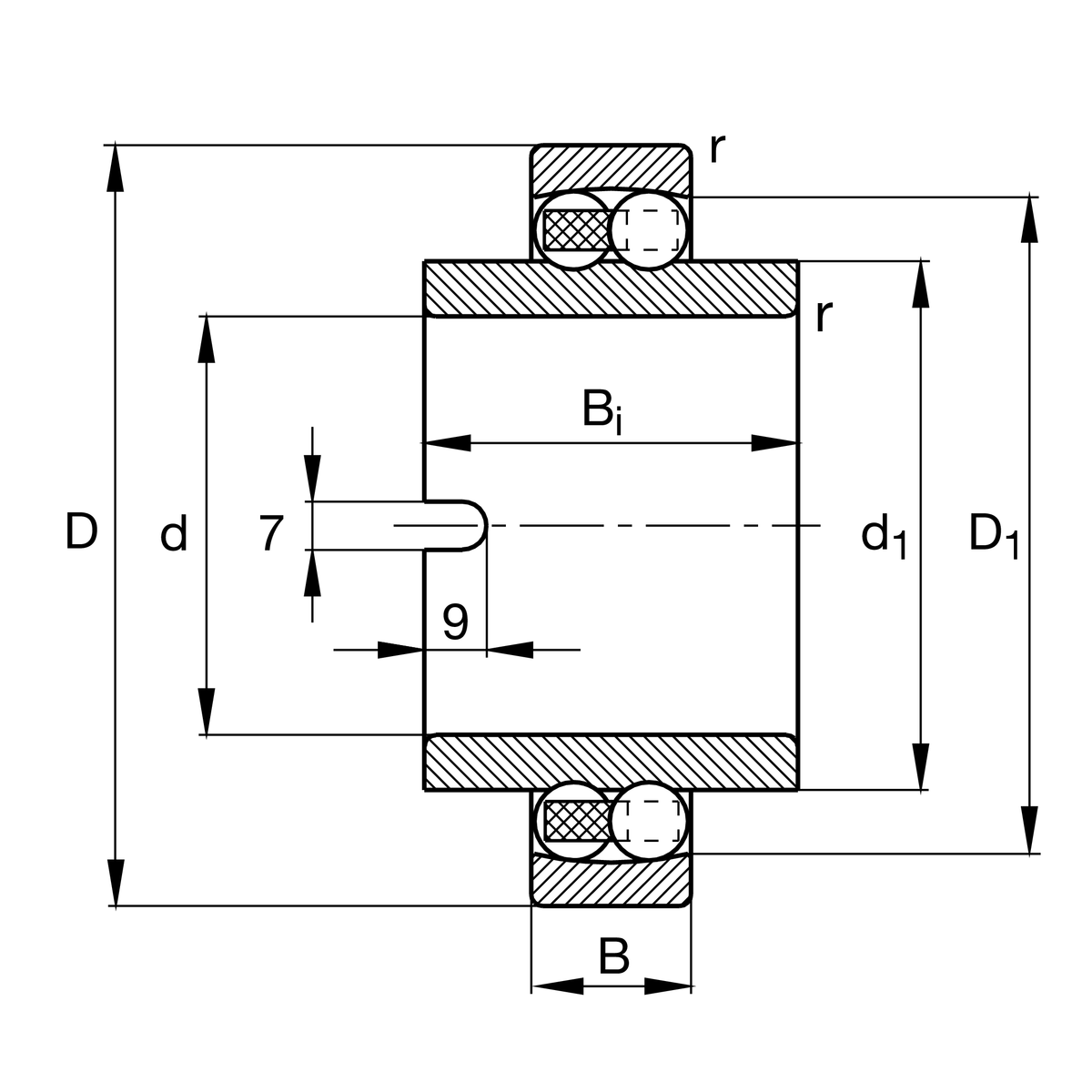
Main Dimensions & Performance Data
d
55 mm
Bore diameter
D
100 mm
Outside diameter
B
21 mm
Width, outer ring
Bi
60 mm
Width, inner ring
Cr
27,000 N
Basic dynamic load rating, radial
C0r
10,000 N
Basic static load rating, radial
Cur
630 N
Fatigue load limit, radial
nG
7,700 1/min
Limiting speed
nϑr
6,900 1/min
Reference speed
≈m
1.16 kg
Weight

Mounting dimensions
Da max
91 mm
Maximum diameter of housing shoulder
ra max
1.5 mm
Maximaler Hohlkehlradius

Dimensions
rmin
1.5 mm
Minimum chamfer dimension
D1
86.44 mm
Shoulder diameter outer ring
d1
69.5 mm
Shoulder diameter inner ring
b
7 mm
Width retaining slot
t
9 mm
Hight retaining slot

Temperature range
Tmin
-30 °C
Operating temperature min.
Tmax
120 °C
Operating temperature max.

Calculation factors
e
0.19
Limiting value of Fa/Fr for the applicability of diff. Values of factors X and Y
Y1
3.32
Dynamic axial load factor
Y2
5.15
Dynamic axial load factor
Y0
3.48
Static axial load factor

Your current product variant
CageTVHsolid cage made of glass-fiber reinforced polyamid PA66
Thêm vào yêu cầu báo giá