PRODUCTS

  • Home
  • Giới thiệu sản phẩm

FAG
UCFL211-33
Flanged housing unit UCFL211-33
Thêm vào yêu cầu báo giá
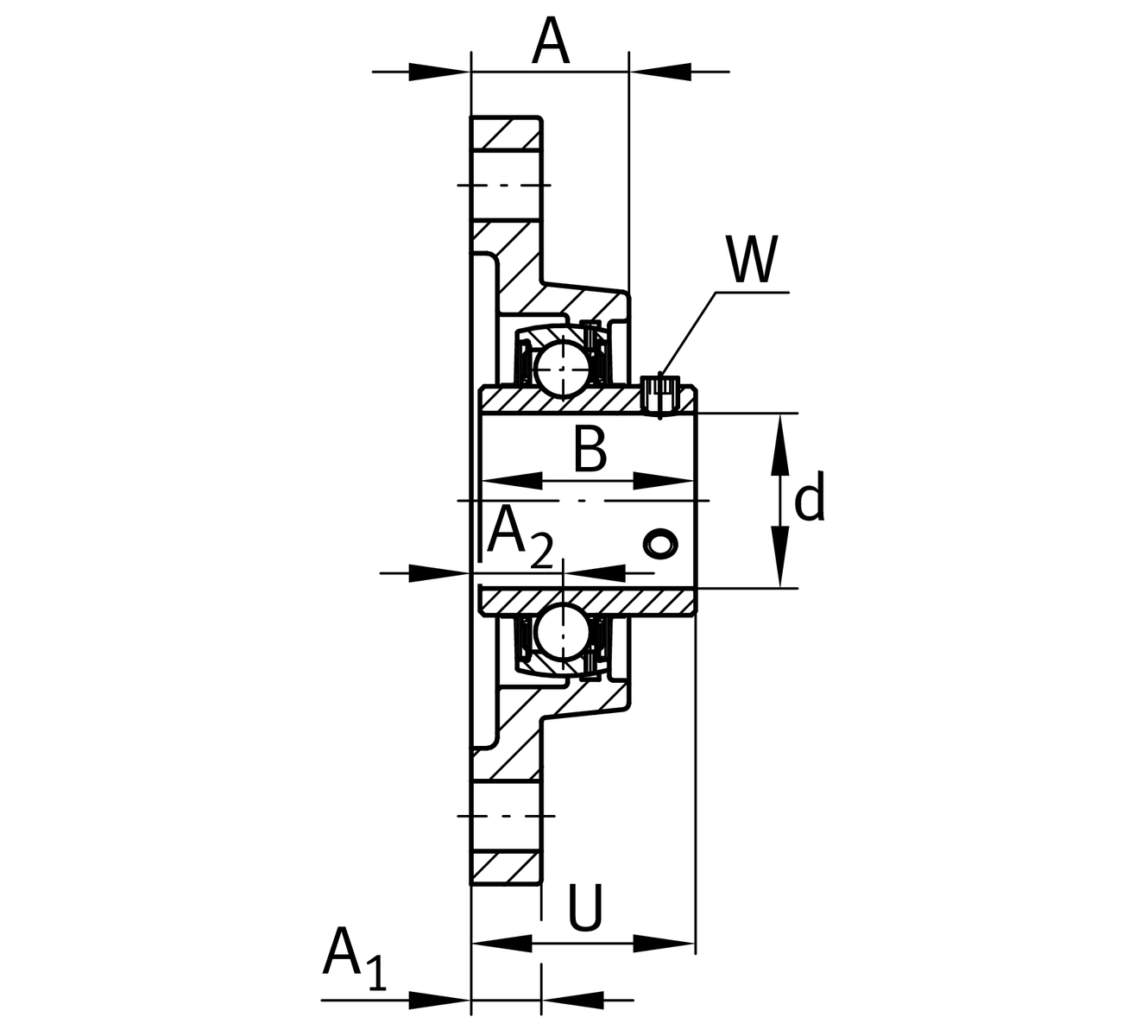
Main Dimensions & Performance Data
d
52.388 mm
Bore diameter
L
130 mm
Flange width
H
224 mm
Height flange
U
58.4 mm
Total height unit
Cr
43,500 N
Basic dynamic load rating, radial
C0r
29,000 N
Basic static load rating, radial
Cur
1,240 N
Fatigue load limit, radial
≈m
2.96 kg
Weight

Mounting dimensions
J
184 mm
Distance fixing bore
N
19 mm
Fixing bore
n
2
Number of screwing holes

Dimensions
A
43 mm
Height housing
A1
20 mm
Thickness of flange
A2
25 mm
Distance raceway
B
55.6 mm
Width
Q
M6
Connection thread for lubrication

Additional information
1
Number of housings
FL211
Housing
UC211-33
Bearing designation

Temperature range
Tmin
-20 °C
Operating temperature min.
Tmax
120 °C
Operating temperature max.

Your current product variant
MaterialGGGrey cast iron
Thêm vào yêu cầu báo giá