PRODUCTS

  • Home
  • Giới thiệu sản phẩm

FAG
UCFC211-33
Flanged housing unit UCFC211-33
Thêm vào yêu cầu báo giá
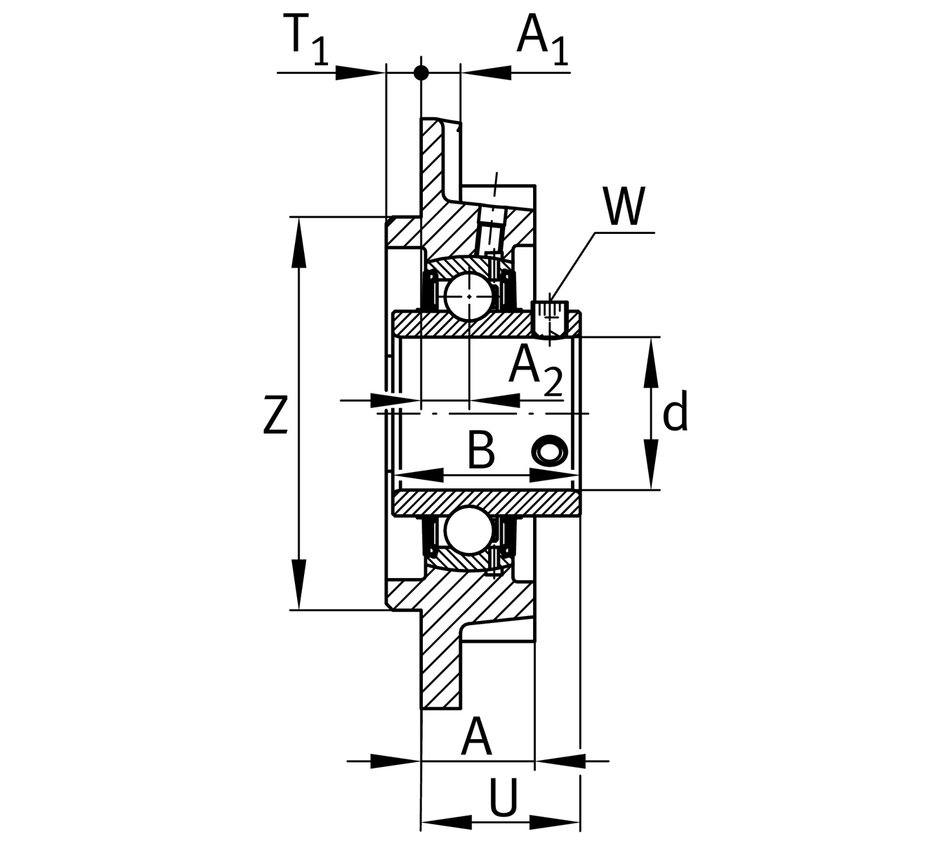
Main Dimensions & Performance Data
d
52.388 mm
Bore diameter
H
185 mm
Height flange
U
46.4 mm
Total height unit
Cr
43,500 N
Basic dynamic load rating, radial
C0r
29,000 N
Basic static load rating, radial
Cur
1,240 N
Fatigue load limit, radial
≈m
4.07 kg
Weight

Mounting dimensions
J
150 mm
Distance fixing bore
J
150 mm
Pitch circle diameter (holes)
N
19 mm
Fixing bore
N1
106.1 mm
Distance fixing bore
T1
12 mm
Height spigot
Z
125 mm
Diameter spigot
h8
Diameter spigot clearance
n
4
Number of screwing holes

Dimensions
A
31 mm
Height housing
A1
15 mm
Thickness of flange
A2
13 mm
Distance raceway
B
55.6 mm
Width
Q
M6
Connection thread for lubrication

Additional information
1
Number of housings
FC211
Housing
UC211-33
Bearing designation

Temperature range
Tmin
-20 °C
Operating temperature min.
Tmax
120 °C
Operating temperature max.

Your current product variant
MaterialGGGrey cast iron
Thêm vào yêu cầu báo giá