PRODUCTS

  • Home
  • Giới thiệu sản phẩm

FAG
UCPA210-32
Plummer block housing unit UCPA210-32
Thêm vào yêu cầu báo giá
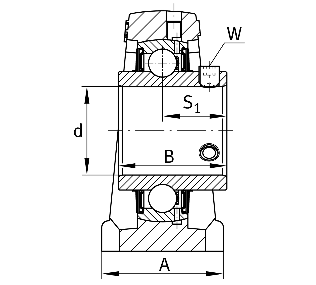
Main Dimensions & Performance Data
d
50.8 mm
Bore diameter
L
130 mm
Length total
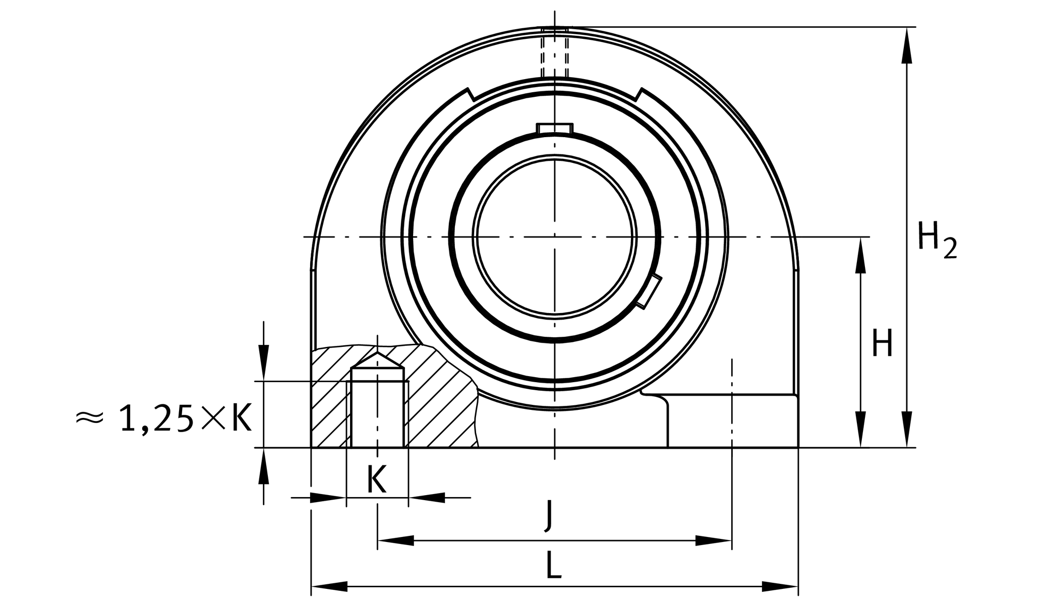
H2
116 mm
Height
≈m
2.691 kg
Weight

Mounting dimensions
J
94 mm
Distance fixing bore
K
M16
Thread fixing bore

Dimensions
H
57.2 mm
Distance shaft axis
A
60 mm
Width (base)
Q
M6
Connection thread for lubrication
B
51.6 mm
Width of inner ring
S1
32.6 mm
Distance of raceway to locking collar

Additional information
PA210
Housing
UC210-32
Bearing designation

Temperature range
Tmin
-20 °C
Operating temperature min.
Tmax
120 °C
Operating temperature max.

Your current product variant
MaterialGGGrey cast iron
Housing clearanceJ7Normal swivel torque
DummyGGcast iron
Thêm vào yêu cầu báo giá