PRODUCTS
- Home
- Giới thiệu sản phẩm
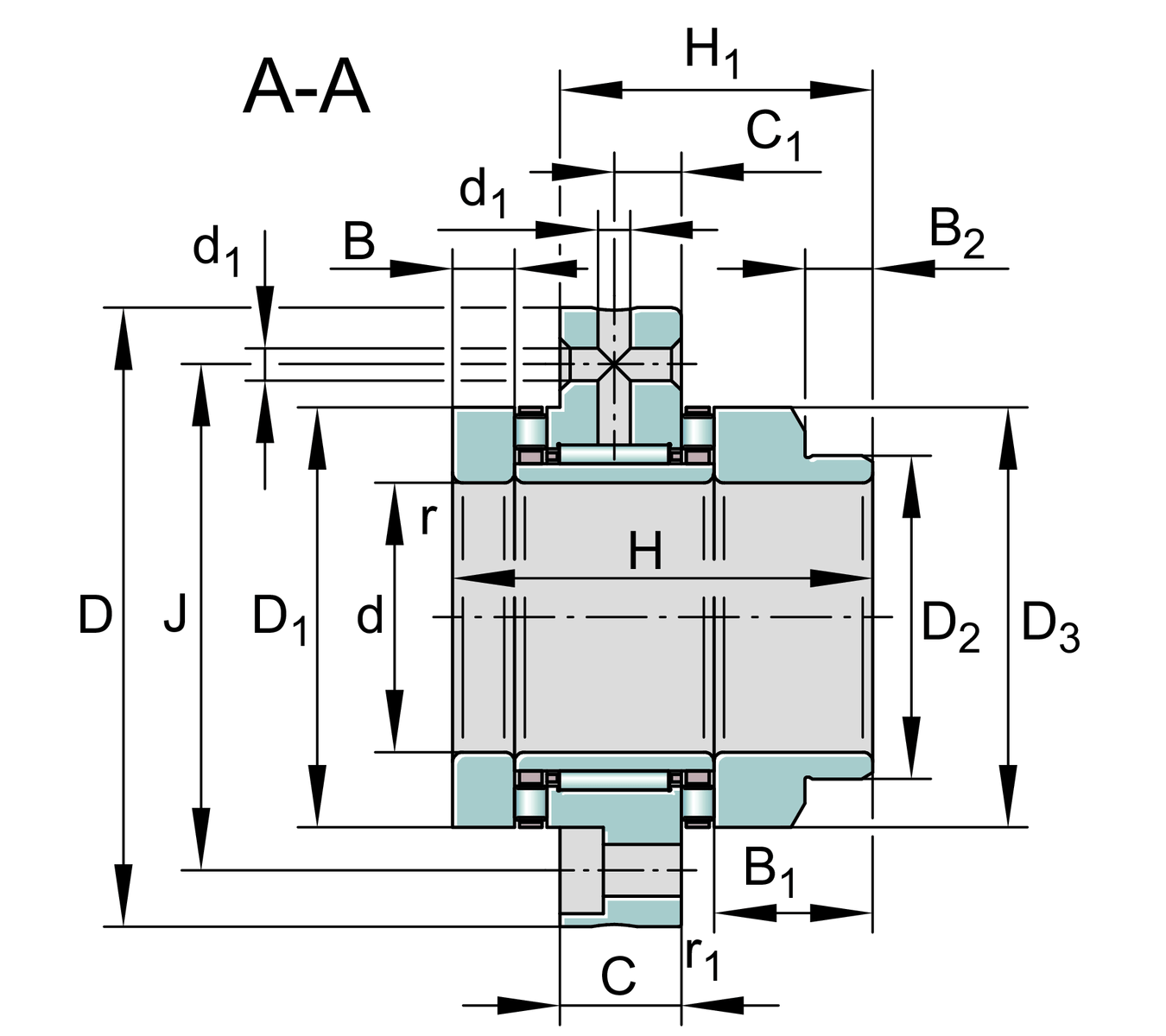
| d | 50 mm | Bore diameter |
| D | 115 mm | Outside diameter |
| H | 78 mm | Hight |
| Ca | 90,000 N | Basic dynamic load rating, axial |
| C0a | 300,000 N | Basic static load rating, axial |
| Cr | 40,000 N | Basic dynamic load rating, radial |
| C0r | 82,000 N | Basic static load rating, radial |
| Cua | 28,000 N | Fatigue load limit, axial |
| Cur | 11,500 N | Fatigue load limit, radial |
| nG Oil | 3,600 1/min | Limiting speed for oil lubrication |
| nG Grease | 1,200 1/min | Limiting speed for grease lubrication |
| MRL | 2.2 Nm | Bearing friction torque |
| ≈m | 2.022 kg | Weight |
| Da max | 79 mm | Maximum diameter of housing shoulder |
| da min | 58 mm | Minimum diameter shaft shoulder |
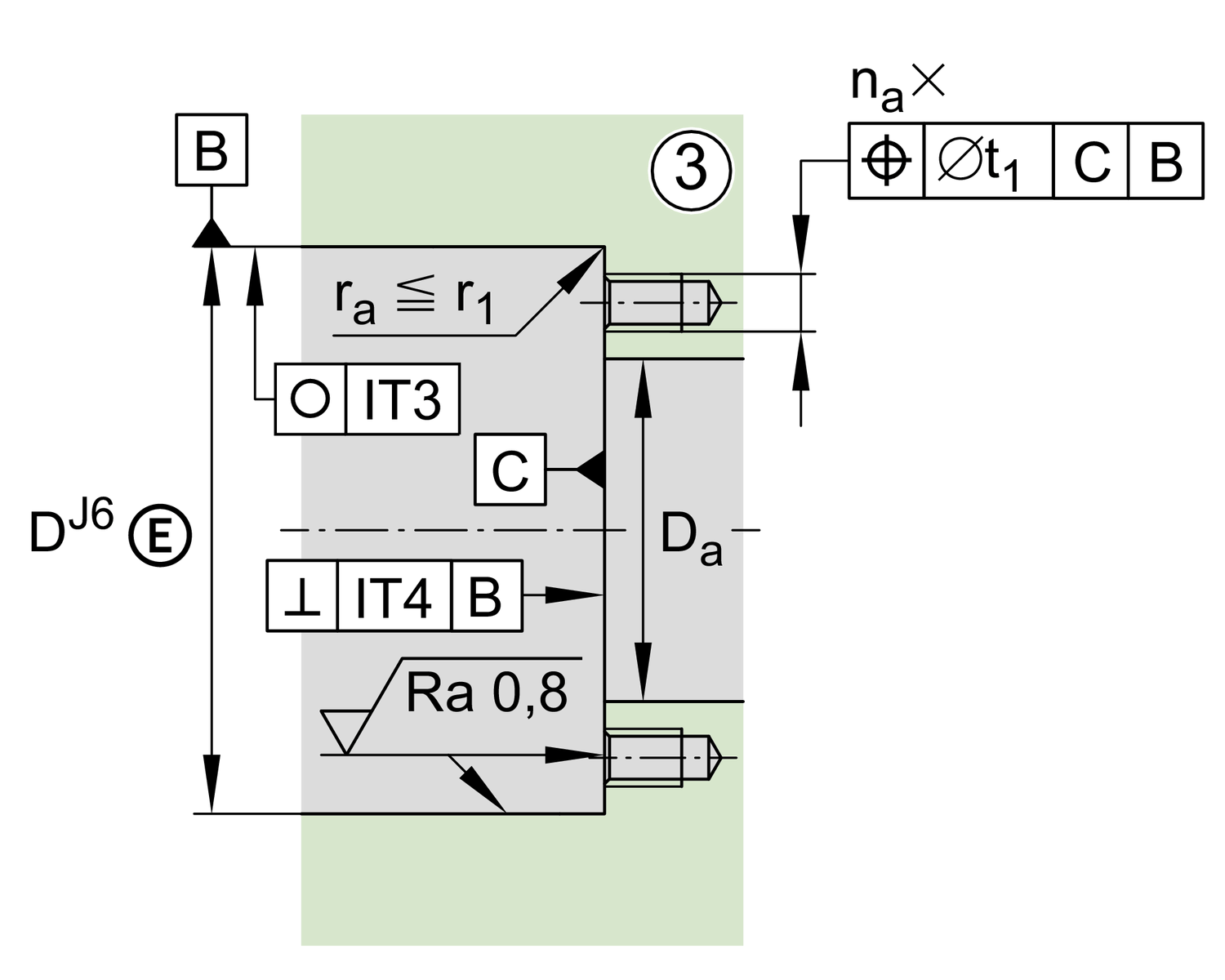
| t1 | 0.2 mm | Position bore in the housing |
| H1 | 58 mm | Height outer ring over wave washer |
| C | 22.5 mm | Width, outer ring |
| C1 | 12.5 mm | Distance to lubrication hole |
| D1 | 78 mm | Rip diameter shaft washer |
| D2 | 60 mm | Heeldiameter wave washer long |
| D3 | 78 mm | Outside diameter wave washer long |
| B | 11.5 mm | Width, wave washer |
| B1 | 29.5 mm | Width wave washer long |
| B2 | 14 mm | Width heel wave washer long |
| rmin | 0.3 mm | Minimum chamfer dimension |
| r1 min | 0.6 mm | Minimum chamfer dimension |
| d1 | 6 mm | Diameter lubrication hole |
| J | 94 mm | Pitch circle diameter (holes) |
| n | 12 | Number of screwing holes |
| n x t | 30 ° | Split |
| Tmin | -30 °C | Operating temperature min. |
| Tmax | 120 °C | Operating temperature max. |
| caL | 4,800 N/µm | Rigidity axial |
| ckL | 2,470 Nm/mrad | Tilting stiffness |
| Mm | 10.46 kg*cm2 | Mass moment of inertia |
1 µm | Axial runout | |
| radial | ZMA50/75 | Recommended INA precision locknut for radial locking (not included) |
| axial | AM50 | Locknut 2 |
| MA | 85 Nm | Tightening torque nut |
18,410 N | Preload force axial | |
60X80X8 | Sealing ring | |
M8 | Screw size | |
| na | 12 | Number of screws |
| na x ta | 30 ° | Division (screwing holes) |
| Cage | TV | Plastic Cage made from PA66 |
| Locating Feature , bearing outer ring | L | Stepped shaft locating washer extended on one side |