PRODUCTS

  • Home
  • Giới thiệu sản phẩm

FAG
UCFL210
Flanged housing unit UCFL210
Thêm vào yêu cầu báo giá
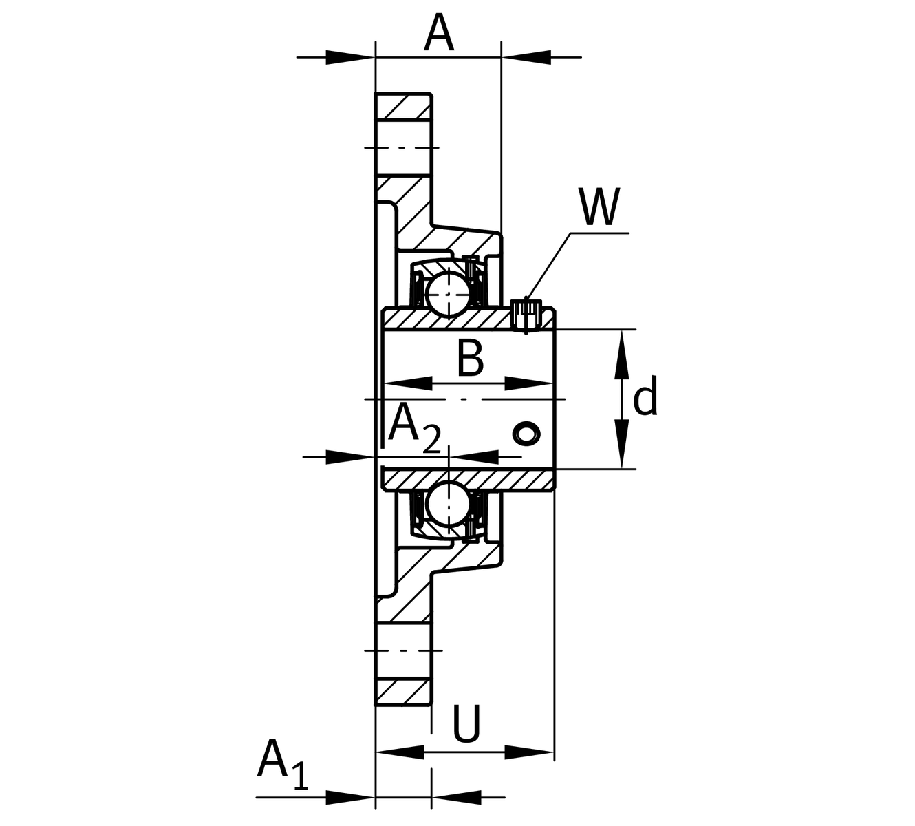
Main Dimensions & Performance Data
d
50 mm
Bore diameter
L
115 mm
Flange width
H
197 mm
Height flange
U
54.6 mm
Total height unit
Cr
35,000 N
Basic dynamic load rating, radial
C0r
23,200 N
Basic static load rating, radial
Cur
990 N
Fatigue load limit, radial
≈m
2.28 kg
Weight

Mounting dimensions
J
157 mm
Distance fixing bore
N
19 mm
Fixing bore
n
2
Number of screwing holes

Dimensions
A
40 mm
Height housing
A1
18 mm
Thickness of flange
A2
22 mm
Distance raceway
B
51.6 mm
Width
Q
M6
Connection thread for lubrication

Additional information
1
Number of housings
FL210
Housing
UC210
Bearing designation

Temperature range
Tmin
-20 °C
Operating temperature min.
Tmax
120 °C
Operating temperature max.

Your current product variant
MaterialGGGrey cast iron
Thêm vào yêu cầu báo giá